Промышленные рукава AlfaGomma (Италия), фитинги Cast (Италия) - официальные поставки в Россию
+7 (499) 403-34-20
Срочно напишите нам!
Каталог товаров
AlfaGomma
(207)
06 СЕЛЬСКОЕ ХОЗЯЙСТВО
(2)
09 ГОРЯЧАЯ ВОДА И ПАР
(49)
10 ЖИДКИЕ ПИЩЕВЫЕ ПРОДУКТЫ
(11)
11 СУХИЕ ПИЩЕВЫЕ ПРОДУКТЫ
(1)
12 СУХИЕ СЫПУЧИЕ МАТЕРИАЛЫ
(11)
13 ПЕСКОСТРУЙНАЯ ОБРАБОТКА
(8)
14 ШТУКАТУРНАЯ ОБРАБОТКА
(6)
15 БЕТОН
(1)
16 КИСЛОТА, ХИМИЯ, ОБЩЕЕ НАЗНАЧЕНИЕ
(23)
17 МАСЛОБЕНЗОСТОЙКИЕ
(52)
Для воды и жидкости
(22)
Для горячего воздуха
(3)
Для сжатого воздуха
(18)
Semperit
(134)
02 ГАЗОСВАРКА
(12)
03 СЖАТЫЙ ВОЗДУХ
(3)
05 ВОДА, ЖИДКОСТЬ, ВОЗДУХ
(27)
09 ГОРЯЧАЯ ВОДА И ПАР
(12)
10 ЖИДКИЕ ПИЩЕВЫЕ ПРОДУКТЫ
(6)
12 СУХИЕ СЫПУЧИЕ МАТЕРИАЛЫ, СИЛОСЫ
(2)
13 ПЕСКОСТРУЙНАЯ ОБРАБОТКА
(7)
14 ШТУКАТУРНАЯ ОБРАБОТКА
(8)
16 КИСЛОТА, ХИМИЯ, ОБЩЕЕ НАЗНАЧЕНИЕ
(21)
17 МАСЛОБЕНЗОСТОЙКИЕ
(36)
Verso
(79)
04 ГОРЯЧИЙ ВОЗДУХ
(1)
05 ВОДА И ЖИДКОСТЬ
(9)
09 ГОРЯЧАЯ ВОДА И ПАР
(10)
10 ЖИДКИЕ ПИЩЕВЫЕ ПРОДУКТЫ
(1)
12 СУХИЕ СЫПУЧИЕ МАТЕРИАЛЫ
(8)
13 ПЕСКОСТРУЙНАЯ ОБРАБОТКА
(4)
14 ШТУКАТУРНАЯ ОБРАБОТКА
(3)
15 РУКАВА ДЛЯ БЕТОНОНАСОСОВ
(3)
16 КИСЛОТА, ХИМИЯ, ОБЩЕЕ НАЗНАЧЕНИЕ
(2)
17 МАСЛОБЕНЗОСТОЙКИЕ
(26)
СЖАТЫЙ ВОЗДУХ
(12)
IVG
(2)
08 ТОПЛИВО, МБС (Маслобензостойкие)
(2)
Промышленные рукава Alfagomma и Semperit
(422)
05 SEMPERIT
(5)
01 1SN
(1)
02 2SN
(1)
04 2SC
(1)
05 4SP
(1)
06 4SН
(1)
02 PARKER
(44)
01 1SN 421SN EN853
(2)
05 1SC 492 EN857
(1)
07 1SC 692 COMPACT EXTREMELY FLEXIBLE
(1)
09 2SN 301SN EN853 NO-SKIVE
(9)
14 2SC 462 EN857 NO-SKIVE
(3)
15 2SC 461LT EN857 NO-SKIVE (-50°C)
(1)
22 R4 811 SAE100
(3)
24 3SK 372 NO-SKIVE (WP 4SP)
(5)
26 3SK 371LT NO-SKIVE (-50°C) (WP 4SP)
(4)
27 4SP 701 EN856 NO-SKIVE
(1)
28 4SP H31 EN856 PARLOCK
(1)
29 4SH 731 EN856 NO-SKIVE
(2)
30 4SH H29 EN856 PARLOCK
(1)
33 R13 R35 PARLOCK
(4)
37 R13 SX35LT NO-SKIVE (-57°C)
(2)
38 R15 R42 PARLOCK
(3)
42 R15 797TC SAE100 NO-SKIVE TOUGH COVER
(1)
01 VERSO
(122)
01 1SN MULTIFLEX
(10)
02 1SN ANTARCTIC (-55°C)
(5)
03 1SN AQUATOR (+135°C/+150°C)
(9)
08 1SC COMPACT
(7)
09 2SN MULTIFLEX
(10)
11 2SC ANTARCTIC (-55°C)
(12)
14 2SWM CLEANING EN 1829-2 ДЛЯ МОЕК (+155°C)
(4)
15 2SC COMPACT EN 857
(6)
20 2SN AQUATOR (+135°C /+150°C)
(2)
24 2PWC POWERPAC (2SNK)
(7)
30 4SP EXTREME EN856
(5)
31 4SH EXTREME EN856
(5)
32 3SK ANTARCTIC (-55°C)
(6)
34 4SH ANTARCTIC (-55°C)
(5)
35 BIOFLEX ISO18752
(13)
50 R13 HARDEX
(3)
51 R15 HARDEX
(4)
52 R13 ANTARCTIC (-55°C)
(4)
53 R15 ANTARCTIC (-55°C)
(5)
DUNLOP HIFLEX
(87)
01 1SN
(11)
08 2TE EN 854
(2)
09 2SN
(10)
14 2SC EN857
(4)
15 2SC HYPERCOLD (-55°C)
(9)
20 3TE/R3 EN 854
(4)
26 3SK SUPERFOREST (-55°C)
(5)
27 4SP
(3)
29 4SH
(3)
30 4SH HYPERCOLD (-55°C)
(2)
31 4SP, 4SH, R12, R13, R15 POWERFLEX BIO
(18)
33 R13
(2)
34 R15
(6)
41 4SP, 4SH, R13, R15 EVOLUTION 4000/5000/6000 LT (-55°C)
(8)
01 POWERMASTER
(53)
01 1SN
(12)
03 2SN
(11)
04 2SC
(13)
06 4SH
(10)
07 4SP
(7)
02 TRAKTOR
(15)
01 1SN
(7)
02 1SC
(1)
03 2SN
(7)
02 H-POINT
(24)
01 1SN
(7)
02 2SN
(9)
03 4SP
(4)
04 4SH
(4)
04 HYPRESS
(21)
03 2SN
(2)
05 4SP
(6)
06 4SН
(5)
09 R13
(6)
10 R15
(2)
01 DIESSE
(6)
02 1SC
(1)
03 2SN
(1)
06 3SK
(1)
09 R13
(1)
10 R15
(2)
02 BEZEK
(1)
04 2SC
(1)
Рукава высокого давления РВД
(378)
03 СОЕДИНЕНИЯ, УГОЛ КОНУСА 60 град. BS-5200
(578)
01 ШТУЦЕРА ВВЕРТНЫЕ F
(96)
02 ШТУЦЕРА ВВЕРТНЫЕ РЕГУЛИРУЕМЫЕ FR
(39)
03 ШТУЦЕРА ВВЕРТНЫЕ РЕГУЛИРУЕМЫЕ УДЛИНЕННЫЕ FRM
(4)
05 СОЕДИНЕНИЯ ПРОХОДНЫЕ ШТУЦЕР-ШТУЦЕР P
(186)
06 СОЕДИНЕНИЯ ПРОХОДНЫЕ ШТУЦЕР-ГАЙКА PF
(94)
07 СОЕДИНЕНИЯ ПРОХОДНЫЕ ГАЙКА - ГАЙКА PS
(104)
08 СОЕДИНЕНИЯ ПРОХОДНЫЕ BSP ВНУТР. РЕЗЬБА
(15)
09 ЗАГЛУШКИ V
(35)
10 ГАЙКИ, ВРЕЗНЫЕ КОЛЬЦА, ШАЙБЫ И БОЛТЫ
(5)
04 СОЕДИНЕНИЯ С РАЗВАЛЬЦОВКОЙ 90 град. SAE-J1453
(347)
01 ШТУЦЕРА ВВЕРТНЫЕ F
(147)
02 ШТУЦЕРА ВВЕРТНЫЕ УДЛИНЕННЫЕ FM
(77)
07 СОЕДИНЕНИЯ ПЕРЕБОРОЧНЫЕ PD
(10)
08 СОЕДИНЕНИЯ ПРОХОДНЫЕ Р
(62)
09 СОЕДИНЕНИЯ ПРОХОДНЫЕ С НАКИДНОЙ ГАЙКОЙ РN
(27)
10 АДАПТЕРЫ А
(5)
13 ЗАГЛУШКИ
(14)
14 КОМПЛЕКТУЮЩИЕ И ЗАПАСНЫЕ ЧАСТИ
(5)
CОЕДИНЕНИЯ С РАЗВАЛЬЦОВКОЙ 37 град. SAE-J514
(595)
03 ШТУЦЕРА ВВЕРТНЫЕ РЕГУЛИРУЕМЫЕ FR
(45)
05 ШТУЦЕРА ВВЕРТНЫЕ С НАКИДНОЙ ГАЙКОЙ FN
(99)
06 СОЕДИНЕНИЯ ПЕРЕБОРОЧНЫЕ PD
(37)
07 СОЕДИНЕНИЯ ПРОХОДНЫЕ P
(68)
08 СОЕДИНЕНИЯ ПРОХОДНЫЕ C НАКИДНОЙ ГАЙКОЙ PN
(35)
09 СОЕДИНЕНИЯ ПРИВАРНЫЕ W
(15)
10 СОЕДИНЕНИЯ ДЛЯ ПОДКЛЮЧЕНИЯ ИЗМЕРИТЕЛЬНЫХ УСТРОЙСТВ GS
(11)
11 ЗАГЛУШКИ V
(27)
12 ГАЙКИ И ВТУЛКИ
(31)
ШТУЦЕРА ВВЕРТНЫЕ F
(223)
ШТУЦЕРА ВВЕРТНЫЕ УДЛИНЕННЫЕ FM
(4)
CОЕДИНЕНИЯ, УГОЛ КОНУСА 24 град. DIN 2353
(1787)
01 ШТУЦЕРА ВВЕРТНЫЕ F
(577)
02 ШТУЦЕРА ВВЕРТНЫЕ РЕГУЛИРУЕМЫЕ FR
(56)
03 ШТУЦЕРА ВВЕРТНЫЕ С НАКИДНОЙ ГАЙКОЙ FN
(92)
04 СОЕДИНЕНИЯ ПРОХОДНЫЕ С НАКИДНОЙ ГАЙКОЙ PN
(325)
05 СОЕДИНЕНИЯ ПРОХОДНЫЕ
(178)
06 СОЕДИНЕНИЯ ПРОХОДНЫЕ РЕДУКЦИОННЫЕ PR
(94)
07 СОЕДИНЕНИЯ ПЕРЕБОРОЧНЫЕ PD
(45)
09 СОЕДИНЕНИЯ ПРИВАРНЫЕ W
(93)
10 СОЕДИНЕНИЯ BANJO J
(118)
11 СОЕДИНЕНИЯ ДЛЯ ПОДКЛЮЧЕНИЯ ИЗМЕРИТЕЛЬНЫХ УСТРОЙСТВ GC
(17)
12 ЗАГЛУШКИ V
(81)
13 ГАЙКИ, ВРЕЗНЫЕ КОЛЬЦА, ШАЙБЫ И БОЛТЫ
(111)
Адаптеры и соединения Cast (Италия)
(3307)
Фитинги Cast
(832)
BANJO BOLT BSP
(7)
BANJO BOLT METRIC
(9)
BANJO BSP
(19)
BANJO METRIC
(19)
BEL (Ш)
(76)
BSP (Г)
(130)
BSP (Ш)
(27)
BSPT
(19)
DKM (Г)
(65)
DKM (Ш)
(21)
DKO-L (Г)
(51)
DKO-L (Ш)
(16)
DKO-S (Г)
(54)
DKO-S (Ш)
(18)
JIC (Г)
(116)
JIC (Ш)
(22)
NPTF
(19)
ORFS (Г)
(46)
ORFS (Ш)
(15)
SF 3000
(35)
Ещё...
Муфты Cast
(61)
01 Муфты 1SN/2SC
(9)
01 Муфты R7
(8)
03 Муфты 1SN/2SC с зачисткой
(7)
05 Муфты 1SC
(4)
07 Муфты 1SN/2SN/2SC
(11)
09 Муфты 2SN
(10)
11 Муфты 2SN с зачисткой
(1)
24 Муфты 4SH
(4)
26 Муфты 4SP
(4)
28 Муфты 4SP/4SH
(3)
Муфты и фитинги Cast (Италия)
(893)
Наши склады
Оплата
Доставка
Контакты
Сравнение товаров
0
Корзина
пусто
Главная
>
Каталог
>
Адаптеры и соединения Cast (Италия)
>
CОЕДИНЕНИЯ, УГОЛ КОНУСА 24 град. DIN 2353
>
04 СОЕДИНЕНИЯ ПРОХОДНЫЕ С НАКИДНОЙ ГАЙКОЙ PN
>
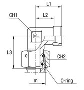
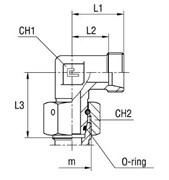
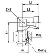
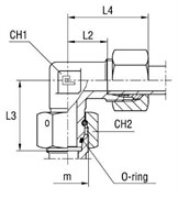
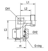
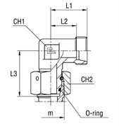
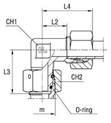
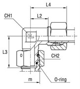
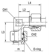
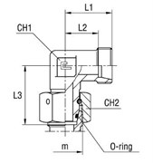
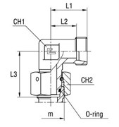
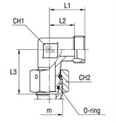
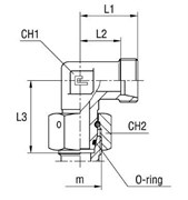
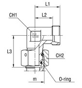
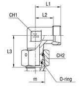
05 УГЛОВЫЕ 90 ГРАД.
05 УГЛОВЫЕ 90 ГРАД.
Сортировка:
Без сортировки
Популярные
Новое поступление
Сначала дешевле
Сначала дороже
По размеру скидки
Высокий рейтинг
Названию, по возрастанию
Названию, по убыванию
Всего найдено:
39
Быстрый просмотр
Соединение PN90 DL06 М12х1.5
Артикул:
604204.1
452
руб.
Покупаю!
Быстрый просмотр
Соединение PN90 DL06 М12х1.5 DS06 M14x1.5
Артикул:
604228.1
1 539
руб.
Покупаю!
Быстрый просмотр
Соединение PN90 DL08 М14х1.5
Артикул:
604205.1
443
руб.
Покупаю!
Быстрый просмотр
Соединение PN90 DL08 М14х1.5 DS08 M16x1.5
Артикул:
604229.1
1 588
руб.
Покупаю!
Быстрый просмотр
Соединение PN90 DL10 М16х1.5
Артикул:
604206.1
484
руб.
Покупаю!
Быстрый просмотр
Соединение PN90 DL10 М16х1.5 DS10 M18x1.5
Артикул:
604230.1
1 674
руб.
Покупаю!
Быстрый просмотр
Соединение PN90 DL12 М18х1.5
Артикул:
604207.1
457
руб.
Покупаю!
Быстрый просмотр
Соединение PN90 DL12 М18х1.5 (в сборе)
Артикул:
604207
835
руб.
Покупаю!
Быстрый просмотр
Соединение PN90 DL12 М18х1.5 DS12 M20x1.5
Артикул:
604231.1
1 749
руб.
Покупаю!
Быстрый просмотр
Соединение PN90 DL15 М22х1.5
Артикул:
604208.1
633
руб.
Покупаю!
Быстрый просмотр
Соединение PN90 DL15 М22х1.5 (в сборе)
Артикул:
604208
946
руб.
Покупаю!
Быстрый просмотр
Соединение PN90 DL15 М22х1.5 нерж.
Артикул:
614208.1
5 339
руб.
Покупаю!
Быстрый просмотр
Соединение PN90 DL18 М26х1.5
Артикул:
604209.1
835
руб.
Покупаю!
Быстрый просмотр
Соединение PN90 DL22 М30х2
Артикул:
604210.1
1 104
руб.
Покупаю!
Быстрый просмотр
Соединение PN90 DL22 М30х2 (в сборе)
Артикул:
604210
1 926
руб.
Покупаю!
Быстрый просмотр
Соединение PN90 DL28 М36х2
Артикул:
604211.1
1 688
руб.
Покупаю!
Быстрый просмотр
Соединение PN90 DL28 М36х2 нерж.
Артикул:
614211.1
13 078
руб.
Покупаю!
Быстрый просмотр
Соединение PN90 DL35 М45х2
Артикул:
604212.1
3 368
руб.
Покупаю!
Быстрый просмотр
Соединение PN90 DL42 М52х2
Артикул:
604213.1
5 017
руб.
Покупаю!
Быстрый просмотр
Соединение PN90 DS06 М14х1.5 DL06 M12x1.5 (корпус)
Артикул:
604224.1
1 516
руб.
Покупаю!
Быстрый просмотр
Соединение PN90 DS08 М16х1.5 DL08 M14x1.5 (корпус)
Артикул:
604225.1
1 600
руб.
Покупаю!
Быстрый просмотр
Соединение PN90 DS10 М18х1.5
Артикул:
604216.1
647
руб.
Покупаю!
Быстрый просмотр
Соединение PN90 DS10 М18х1.5 B4 (в сборе)
Артикул:
604216.4
923
руб.
Покупаю!
Быстрый просмотр
Соединение PN90 DS10 М18х1.5 DL10 M16x1.5 (корпус)
Артикул:
604226.1
1 697
руб.
Покупаю!
Быстрый просмотр
Соединение PN90 DS12 М20х1.5
Артикул:
604217.1
707
руб.
Покупаю!
Быстрый просмотр
Соединение PN90 DS12 М20х1.5 DL12 M18x1.5 (корпус)
Артикул:
604227.1
1 768
руб.
Покупаю!
Быстрый просмотр
Соединение PN90 DS12 М20х1.5 нерж.
Артикул:
614217
5 729
руб.
Покупаю!
Быстрый просмотр
Соединение PN90 DS14 М22х1.5 (корпус)
Артикул:
604218.1
929
руб.
Покупаю!
Быстрый просмотр
Соединение PN90 DS16 М24х1.5
Артикул:
604219.1
1 011
руб.
Покупаю!
Быстрый просмотр
Соединение PN90 DS16 М24х1.5 (корпус) нерж.
Артикул:
614219.1
6 934
руб.
Покупаю!
Быстрый просмотр
Соединение PN90 DS16 М24х1.5 B4 (в сборе)
Артикул:
604219.4
1 463
руб.
Покупаю!
Быстрый просмотр
Соединение PN90 DS16 М24х1.5 нерж.
Артикул:
614219
9 185
руб.
Покупаю!
Быстрый просмотр
Соединение PN90 DS20 М30х2 (в сборе)
Артикул:
604220
2 068
руб.
Покупаю!
Быстрый просмотр
Соединение PN90 DS20 М30х2 (корпус)
Артикул:
604220.1
1 245
руб.
Покупаю!
Быстрый просмотр
Соединение PN90 DS25 М36х2 (корпус)
Артикул:
604221.1
2 165
руб.
Покупаю!
Быстрый просмотр
Соединение PN90 DS30 М42х2 (корпус)
Артикул:
604222.1
2 823
руб.
Покупаю!
Быстрый просмотр
Соединение PN90 DS38 М52х2
Артикул:
604223.1
5 189
руб.
Покупаю!
Быстрый просмотр
Соединение PN90 DS6 М14х1.5
Артикул:
604214.1
537
руб.
Покупаю!
Быстрый просмотр
Соединение PN90 DS8 М16х1.5
Артикул:
604215.1
601
руб.
Покупаю!