Промышленные рукава AlfaGomma (Италия), фитинги Cast (Италия) - официальные поставки в Россию
+7 (499) 403-34-20
Срочно напишите нам!
Каталог товаров
AlfaGomma
(207)
06 СЕЛЬСКОЕ ХОЗЯЙСТВО
(2)
09 ГОРЯЧАЯ ВОДА И ПАР
(49)
10 ЖИДКИЕ ПИЩЕВЫЕ ПРОДУКТЫ
(11)
11 СУХИЕ ПИЩЕВЫЕ ПРОДУКТЫ
(1)
12 СУХИЕ СЫПУЧИЕ МАТЕРИАЛЫ
(11)
13 ПЕСКОСТРУЙНАЯ ОБРАБОТКА
(8)
14 ШТУКАТУРНАЯ ОБРАБОТКА
(6)
15 БЕТОН
(1)
16 КИСЛОТА, ХИМИЯ, ОБЩЕЕ НАЗНАЧЕНИЕ
(23)
17 МАСЛОБЕНЗОСТОЙКИЕ
(52)
Для воды и жидкости
(22)
Для горячего воздуха
(3)
Для сжатого воздуха
(18)
Semperit
(134)
02 ГАЗОСВАРКА
(12)
03 СЖАТЫЙ ВОЗДУХ
(3)
05 ВОДА, ЖИДКОСТЬ, ВОЗДУХ
(27)
09 ГОРЯЧАЯ ВОДА И ПАР
(12)
10 ЖИДКИЕ ПИЩЕВЫЕ ПРОДУКТЫ
(6)
12 СУХИЕ СЫПУЧИЕ МАТЕРИАЛЫ, СИЛОСЫ
(2)
13 ПЕСКОСТРУЙНАЯ ОБРАБОТКА
(7)
14 ШТУКАТУРНАЯ ОБРАБОТКА
(8)
16 КИСЛОТА, ХИМИЯ, ОБЩЕЕ НАЗНАЧЕНИЕ
(21)
17 МАСЛОБЕНЗОСТОЙКИЕ
(36)
Verso
(79)
04 ГОРЯЧИЙ ВОЗДУХ
(1)
05 ВОДА И ЖИДКОСТЬ
(9)
09 ГОРЯЧАЯ ВОДА И ПАР
(10)
10 ЖИДКИЕ ПИЩЕВЫЕ ПРОДУКТЫ
(1)
12 СУХИЕ СЫПУЧИЕ МАТЕРИАЛЫ
(8)
13 ПЕСКОСТРУЙНАЯ ОБРАБОТКА
(4)
14 ШТУКАТУРНАЯ ОБРАБОТКА
(3)
15 РУКАВА ДЛЯ БЕТОНОНАСОСОВ
(3)
16 КИСЛОТА, ХИМИЯ, ОБЩЕЕ НАЗНАЧЕНИЕ
(2)
17 МАСЛОБЕНЗОСТОЙКИЕ
(26)
СЖАТЫЙ ВОЗДУХ
(12)
IVG
(2)
08 ТОПЛИВО, МБС (Маслобензостойкие)
(2)
Промышленные рукава Alfagomma и Semperit
(422)
05 SEMPERIT
(5)
01 1SN
(1)
02 2SN
(1)
04 2SC
(1)
05 4SP
(1)
06 4SН
(1)
02 PARKER
(44)
01 1SN 421SN EN853
(2)
05 1SC 492 EN857
(1)
07 1SC 692 COMPACT EXTREMELY FLEXIBLE
(1)
09 2SN 301SN EN853 NO-SKIVE
(9)
14 2SC 462 EN857 NO-SKIVE
(3)
15 2SC 461LT EN857 NO-SKIVE (-50°C)
(1)
22 R4 811 SAE100
(3)
24 3SK 372 NO-SKIVE (WP 4SP)
(5)
26 3SK 371LT NO-SKIVE (-50°C) (WP 4SP)
(4)
27 4SP 701 EN856 NO-SKIVE
(1)
28 4SP H31 EN856 PARLOCK
(1)
29 4SH 731 EN856 NO-SKIVE
(2)
30 4SH H29 EN856 PARLOCK
(1)
33 R13 R35 PARLOCK
(4)
37 R13 SX35LT NO-SKIVE (-57°C)
(2)
38 R15 R42 PARLOCK
(3)
42 R15 797TC SAE100 NO-SKIVE TOUGH COVER
(1)
01 VERSO
(122)
01 1SN MULTIFLEX
(10)
02 1SN ANTARCTIC (-55°C)
(5)
03 1SN AQUATOR (+135°C/+150°C)
(9)
08 1SC COMPACT
(7)
09 2SN MULTIFLEX
(10)
11 2SC ANTARCTIC (-55°C)
(12)
14 2SWM CLEANING EN 1829-2 ДЛЯ МОЕК (+155°C)
(4)
15 2SC COMPACT EN 857
(6)
20 2SN AQUATOR (+135°C /+150°C)
(2)
24 2PWC POWERPAC (2SNK)
(7)
30 4SP EXTREME EN856
(5)
31 4SH EXTREME EN856
(5)
32 3SK ANTARCTIC (-55°C)
(6)
34 4SH ANTARCTIC (-55°C)
(5)
35 BIOFLEX ISO18752
(13)
50 R13 HARDEX
(3)
51 R15 HARDEX
(4)
52 R13 ANTARCTIC (-55°C)
(4)
53 R15 ANTARCTIC (-55°C)
(5)
DUNLOP HIFLEX
(87)
01 1SN
(11)
08 2TE EN 854
(2)
09 2SN
(10)
14 2SC EN857
(4)
15 2SC HYPERCOLD (-55°C)
(9)
20 3TE/R3 EN 854
(4)
26 3SK SUPERFOREST (-55°C)
(5)
27 4SP
(3)
29 4SH
(3)
30 4SH HYPERCOLD (-55°C)
(2)
31 4SP, 4SH, R12, R13, R15 POWERFLEX BIO
(18)
33 R13
(2)
34 R15
(6)
41 4SP, 4SH, R13, R15 EVOLUTION 4000/5000/6000 LT (-55°C)
(8)
01 POWERMASTER
(53)
01 1SN
(12)
03 2SN
(11)
04 2SC
(13)
06 4SH
(10)
07 4SP
(7)
02 TRAKTOR
(15)
01 1SN
(7)
02 1SC
(1)
03 2SN
(7)
02 H-POINT
(24)
01 1SN
(7)
02 2SN
(9)
03 4SP
(4)
04 4SH
(4)
04 HYPRESS
(21)
03 2SN
(2)
05 4SP
(6)
06 4SН
(5)
09 R13
(6)
10 R15
(2)
01 DIESSE
(6)
02 1SC
(1)
03 2SN
(1)
06 3SK
(1)
09 R13
(1)
10 R15
(2)
02 BEZEK
(1)
04 2SC
(1)
Рукава высокого давления РВД
(378)
03 СОЕДИНЕНИЯ, УГОЛ КОНУСА 60 град. BS-5200
(578)
01 ШТУЦЕРА ВВЕРТНЫЕ F
(96)
02 ШТУЦЕРА ВВЕРТНЫЕ РЕГУЛИРУЕМЫЕ FR
(39)
03 ШТУЦЕРА ВВЕРТНЫЕ РЕГУЛИРУЕМЫЕ УДЛИНЕННЫЕ FRM
(4)
05 СОЕДИНЕНИЯ ПРОХОДНЫЕ ШТУЦЕР-ШТУЦЕР P
(186)
06 СОЕДИНЕНИЯ ПРОХОДНЫЕ ШТУЦЕР-ГАЙКА PF
(94)
07 СОЕДИНЕНИЯ ПРОХОДНЫЕ ГАЙКА - ГАЙКА PS
(104)
08 СОЕДИНЕНИЯ ПРОХОДНЫЕ BSP ВНУТР. РЕЗЬБА
(15)
09 ЗАГЛУШКИ V
(35)
10 ГАЙКИ, ВРЕЗНЫЕ КОЛЬЦА, ШАЙБЫ И БОЛТЫ
(5)
04 СОЕДИНЕНИЯ С РАЗВАЛЬЦОВКОЙ 90 град. SAE-J1453
(347)
01 ШТУЦЕРА ВВЕРТНЫЕ F
(147)
02 ШТУЦЕРА ВВЕРТНЫЕ УДЛИНЕННЫЕ FM
(77)
07 СОЕДИНЕНИЯ ПЕРЕБОРОЧНЫЕ PD
(10)
08 СОЕДИНЕНИЯ ПРОХОДНЫЕ Р
(62)
09 СОЕДИНЕНИЯ ПРОХОДНЫЕ С НАКИДНОЙ ГАЙКОЙ РN
(27)
10 АДАПТЕРЫ А
(5)
13 ЗАГЛУШКИ
(14)
14 КОМПЛЕКТУЮЩИЕ И ЗАПАСНЫЕ ЧАСТИ
(5)
CОЕДИНЕНИЯ С РАЗВАЛЬЦОВКОЙ 37 град. SAE-J514
(595)
03 ШТУЦЕРА ВВЕРТНЫЕ РЕГУЛИРУЕМЫЕ FR
(45)
05 ШТУЦЕРА ВВЕРТНЫЕ С НАКИДНОЙ ГАЙКОЙ FN
(99)
06 СОЕДИНЕНИЯ ПЕРЕБОРОЧНЫЕ PD
(37)
07 СОЕДИНЕНИЯ ПРОХОДНЫЕ P
(68)
08 СОЕДИНЕНИЯ ПРОХОДНЫЕ C НАКИДНОЙ ГАЙКОЙ PN
(35)
09 СОЕДИНЕНИЯ ПРИВАРНЫЕ W
(15)
10 СОЕДИНЕНИЯ ДЛЯ ПОДКЛЮЧЕНИЯ ИЗМЕРИТЕЛЬНЫХ УСТРОЙСТВ GS
(11)
11 ЗАГЛУШКИ V
(27)
12 ГАЙКИ И ВТУЛКИ
(31)
ШТУЦЕРА ВВЕРТНЫЕ F
(223)
ШТУЦЕРА ВВЕРТНЫЕ УДЛИНЕННЫЕ FM
(4)
CОЕДИНЕНИЯ, УГОЛ КОНУСА 24 град. DIN 2353
(1787)
01 ШТУЦЕРА ВВЕРТНЫЕ F
(577)
02 ШТУЦЕРА ВВЕРТНЫЕ РЕГУЛИРУЕМЫЕ FR
(56)
03 ШТУЦЕРА ВВЕРТНЫЕ С НАКИДНОЙ ГАЙКОЙ FN
(92)
04 СОЕДИНЕНИЯ ПРОХОДНЫЕ С НАКИДНОЙ ГАЙКОЙ PN
(325)
05 СОЕДИНЕНИЯ ПРОХОДНЫЕ
(178)
06 СОЕДИНЕНИЯ ПРОХОДНЫЕ РЕДУКЦИОННЫЕ PR
(94)
07 СОЕДИНЕНИЯ ПЕРЕБОРОЧНЫЕ PD
(45)
09 СОЕДИНЕНИЯ ПРИВАРНЫЕ W
(93)
10 СОЕДИНЕНИЯ BANJO J
(118)
11 СОЕДИНЕНИЯ ДЛЯ ПОДКЛЮЧЕНИЯ ИЗМЕРИТЕЛЬНЫХ УСТРОЙСТВ GC
(17)
12 ЗАГЛУШКИ V
(81)
13 ГАЙКИ, ВРЕЗНЫЕ КОЛЬЦА, ШАЙБЫ И БОЛТЫ
(111)
Адаптеры и соединения Cast (Италия)
(3307)
Фитинги Cast
(832)
BANJO BOLT BSP
(7)
BANJO BOLT METRIC
(9)
BANJO BSP
(19)
BANJO METRIC
(19)
BEL (Ш)
(76)
BSP (Г)
(130)
BSP (Ш)
(27)
BSPT
(19)
DKM (Г)
(65)
DKM (Ш)
(21)
DKO-L (Г)
(51)
DKO-L (Ш)
(16)
DKO-S (Г)
(54)
DKO-S (Ш)
(18)
JIC (Г)
(116)
JIC (Ш)
(22)
NPTF
(19)
ORFS (Г)
(46)
ORFS (Ш)
(15)
SF 3000
(35)
Ещё...
Муфты Cast
(61)
01 Муфты 1SN/2SC
(9)
01 Муфты R7
(8)
03 Муфты 1SN/2SC с зачисткой
(7)
05 Муфты 1SC
(4)
07 Муфты 1SN/2SN/2SC
(11)
09 Муфты 2SN
(10)
11 Муфты 2SN с зачисткой
(1)
24 Муфты 4SH
(4)
26 Муфты 4SP
(4)
28 Муфты 4SP/4SH
(3)
Муфты и фитинги Cast (Италия)
(893)
Наши склады
Оплата
Доставка
Контакты
Сравнение товаров
0
Корзина
пусто
Главная
>
Каталог
>
Адаптеры и соединения Cast (Италия)
>
03 СОЕДИНЕНИЯ, УГОЛ КОНУСА 60 град. BS-5200
>
02 ШТУЦЕРА ВВЕРТНЫЕ РЕГУЛИРУЕМЫЕ FR
>
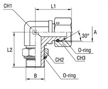
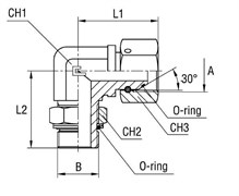
17 УГЛОВЫЕ 90 ГРАД. С НАКИДНОЙ ГАЙКОЙ BSP, УПЛОТНЕНИЕ ТИП G
17 УГЛОВЫЕ 90 ГРАД. С НАКИДНОЙ ГАЙКОЙ BSP, УПЛОТНЕНИЕ ТИП G
Сортировка:
Без сортировки
Популярные
Новое поступление
Сначала дешевле
Сначала дороже
По размеру скидки
Высокий рейтинг
Названию, по возрастанию
Названию, по убыванию
Всего найдено:
15
Быстрый просмотр
Соединение FRN90 BSP 1.1/2" BSP 1.1/2"
Артикул:
308415
7 268
руб.
Покупаю!
Быстрый просмотр
Соединение FRN90 BSP 1.1/2" BSP 1.1/4"
Артикул:
308414
7 159
руб.
Покупаю!
Быстрый просмотр
Соединение FRN90 BSP 1.1/4" BSP 1.1/4"
Артикул:
308413
5 615
руб.
Покупаю!
Быстрый просмотр
Соединение FRN90 BSP 1.1/4" BSP 1"
Артикул:
308412
5 409
руб.
Покупаю!
Быстрый просмотр
Соединение FRN90 BSP 1" BSP 1"
Артикул:
308411
3 803
руб.
Покупаю!
Быстрый просмотр
Соединение FRN90 BSP 1" BSP 3/4"
Артикул:
308410
3 681
руб.
Покупаю!
Быстрый просмотр
Соединение FRN90 BSP 1/2" BSP 1/2"
Артикул:
308407
2 339
руб.
Покупаю!
Быстрый просмотр
Соединение FRN90 BSP 1/2" BSP 3/8"
Артикул:
308406
2 286
руб.
Покупаю!
Быстрый просмотр
Соединение FRN90 BSP 1/4" BSP 1/4"
Артикул:
308403
1 825
руб.
Покупаю!
Быстрый просмотр
Соединение FRN90 BSP 1/4" BSP 1/8"
Артикул:
308402
1 794
руб.
Покупаю!
Быстрый просмотр
Соединение FRN90 BSP 1/8" BSP 1/8"
Артикул:
308401
1 715
руб.
Покупаю!
Быстрый просмотр
Соединение FRN90 BSP 3/4" BSP 1/2"
Артикул:
308408
2 819
руб.
Покупаю!
Быстрый просмотр
Соединение FRN90 BSP 3/4" BSP 3/4"
Артикул:
308409
2 634
руб.
Покупаю!
Быстрый просмотр
Соединение FRN90 BSP 3/8" BSP 1/4"
Артикул:
308404
2 027
руб.
Покупаю!
Быстрый просмотр
Соединение FRN90 BSP 3/8" BSP 3/8"
Артикул:
308405
2 054
руб.
Покупаю!