Промышленные рукава AlfaGomma (Италия), фитинги Cast (Италия) - официальные поставки в Россию
+7 (499) 403-34-20
Срочно напишите нам!
Каталог товаров
AlfaGomma
(207)
06 СЕЛЬСКОЕ ХОЗЯЙСТВО
(2)
09 ГОРЯЧАЯ ВОДА И ПАР
(49)
10 ЖИДКИЕ ПИЩЕВЫЕ ПРОДУКТЫ
(11)
11 СУХИЕ ПИЩЕВЫЕ ПРОДУКТЫ
(1)
12 СУХИЕ СЫПУЧИЕ МАТЕРИАЛЫ
(11)
13 ПЕСКОСТРУЙНАЯ ОБРАБОТКА
(8)
14 ШТУКАТУРНАЯ ОБРАБОТКА
(6)
15 БЕТОН
(1)
16 КИСЛОТА, ХИМИЯ, ОБЩЕЕ НАЗНАЧЕНИЕ
(23)
17 МАСЛОБЕНЗОСТОЙКИЕ
(52)
Для воды и жидкости
(22)
Для горячего воздуха
(3)
Для сжатого воздуха
(18)
Semperit
(134)
02 ГАЗОСВАРКА
(12)
03 СЖАТЫЙ ВОЗДУХ
(3)
05 ВОДА, ЖИДКОСТЬ, ВОЗДУХ
(27)
09 ГОРЯЧАЯ ВОДА И ПАР
(12)
10 ЖИДКИЕ ПИЩЕВЫЕ ПРОДУКТЫ
(6)
12 СУХИЕ СЫПУЧИЕ МАТЕРИАЛЫ, СИЛОСЫ
(2)
13 ПЕСКОСТРУЙНАЯ ОБРАБОТКА
(7)
14 ШТУКАТУРНАЯ ОБРАБОТКА
(8)
16 КИСЛОТА, ХИМИЯ, ОБЩЕЕ НАЗНАЧЕНИЕ
(21)
17 МАСЛОБЕНЗОСТОЙКИЕ
(36)
Verso
(79)
04 ГОРЯЧИЙ ВОЗДУХ
(1)
05 ВОДА И ЖИДКОСТЬ
(9)
09 ГОРЯЧАЯ ВОДА И ПАР
(10)
10 ЖИДКИЕ ПИЩЕВЫЕ ПРОДУКТЫ
(1)
12 СУХИЕ СЫПУЧИЕ МАТЕРИАЛЫ
(8)
13 ПЕСКОСТРУЙНАЯ ОБРАБОТКА
(4)
14 ШТУКАТУРНАЯ ОБРАБОТКА
(3)
15 РУКАВА ДЛЯ БЕТОНОНАСОСОВ
(3)
16 КИСЛОТА, ХИМИЯ, ОБЩЕЕ НАЗНАЧЕНИЕ
(2)
17 МАСЛОБЕНЗОСТОЙКИЕ
(26)
СЖАТЫЙ ВОЗДУХ
(12)
IVG
(2)
08 ТОПЛИВО, МБС (Маслобензостойкие)
(2)
Промышленные рукава Alfagomma и Semperit
(422)
05 SEMPERIT
(5)
01 1SN
(1)
02 2SN
(1)
04 2SC
(1)
05 4SP
(1)
06 4SН
(1)
02 PARKER
(44)
01 1SN 421SN EN853
(2)
05 1SC 492 EN857
(1)
07 1SC 692 COMPACT EXTREMELY FLEXIBLE
(1)
09 2SN 301SN EN853 NO-SKIVE
(9)
14 2SC 462 EN857 NO-SKIVE
(3)
15 2SC 461LT EN857 NO-SKIVE (-50°C)
(1)
22 R4 811 SAE100
(3)
24 3SK 372 NO-SKIVE (WP 4SP)
(5)
26 3SK 371LT NO-SKIVE (-50°C) (WP 4SP)
(4)
27 4SP 701 EN856 NO-SKIVE
(1)
28 4SP H31 EN856 PARLOCK
(1)
29 4SH 731 EN856 NO-SKIVE
(2)
30 4SH H29 EN856 PARLOCK
(1)
33 R13 R35 PARLOCK
(4)
37 R13 SX35LT NO-SKIVE (-57°C)
(2)
38 R15 R42 PARLOCK
(3)
42 R15 797TC SAE100 NO-SKIVE TOUGH COVER
(1)
01 VERSO
(122)
01 1SN MULTIFLEX
(10)
02 1SN ANTARCTIC (-55°C)
(5)
03 1SN AQUATOR (+135°C/+150°C)
(9)
08 1SC COMPACT
(7)
09 2SN MULTIFLEX
(10)
11 2SC ANTARCTIC (-55°C)
(12)
14 2SWM CLEANING EN 1829-2 ДЛЯ МОЕК (+155°C)
(4)
15 2SC COMPACT EN 857
(6)
20 2SN AQUATOR (+135°C /+150°C)
(2)
24 2PWC POWERPAC (2SNK)
(7)
30 4SP EXTREME EN856
(5)
31 4SH EXTREME EN856
(5)
32 3SK ANTARCTIC (-55°C)
(6)
34 4SH ANTARCTIC (-55°C)
(5)
35 BIOFLEX ISO18752
(13)
50 R13 HARDEX
(3)
51 R15 HARDEX
(4)
52 R13 ANTARCTIC (-55°C)
(4)
53 R15 ANTARCTIC (-55°C)
(5)
DUNLOP HIFLEX
(87)
01 1SN
(11)
08 2TE EN 854
(2)
09 2SN
(10)
14 2SC EN857
(4)
15 2SC HYPERCOLD (-55°C)
(9)
20 3TE/R3 EN 854
(4)
26 3SK SUPERFOREST (-55°C)
(5)
27 4SP
(3)
29 4SH
(3)
30 4SH HYPERCOLD (-55°C)
(2)
31 4SP, 4SH, R12, R13, R15 POWERFLEX BIO
(18)
33 R13
(2)
34 R15
(6)
41 4SP, 4SH, R13, R15 EVOLUTION 4000/5000/6000 LT (-55°C)
(8)
01 POWERMASTER
(53)
01 1SN
(12)
03 2SN
(11)
04 2SC
(13)
06 4SH
(10)
07 4SP
(7)
02 TRAKTOR
(15)
01 1SN
(7)
02 1SC
(1)
03 2SN
(7)
02 H-POINT
(24)
01 1SN
(7)
02 2SN
(9)
03 4SP
(4)
04 4SH
(4)
04 HYPRESS
(21)
03 2SN
(2)
05 4SP
(6)
06 4SН
(5)
09 R13
(6)
10 R15
(2)
01 DIESSE
(6)
02 1SC
(1)
03 2SN
(1)
06 3SK
(1)
09 R13
(1)
10 R15
(2)
02 BEZEK
(1)
04 2SC
(1)
Рукава высокого давления РВД
(378)
03 СОЕДИНЕНИЯ, УГОЛ КОНУСА 60 град. BS-5200
(578)
01 ШТУЦЕРА ВВЕРТНЫЕ F
(96)
02 ШТУЦЕРА ВВЕРТНЫЕ РЕГУЛИРУЕМЫЕ FR
(39)
03 ШТУЦЕРА ВВЕРТНЫЕ РЕГУЛИРУЕМЫЕ УДЛИНЕННЫЕ FRM
(4)
05 СОЕДИНЕНИЯ ПРОХОДНЫЕ ШТУЦЕР-ШТУЦЕР P
(186)
06 СОЕДИНЕНИЯ ПРОХОДНЫЕ ШТУЦЕР-ГАЙКА PF
(94)
07 СОЕДИНЕНИЯ ПРОХОДНЫЕ ГАЙКА - ГАЙКА PS
(104)
08 СОЕДИНЕНИЯ ПРОХОДНЫЕ BSP ВНУТР. РЕЗЬБА
(15)
09 ЗАГЛУШКИ V
(35)
10 ГАЙКИ, ВРЕЗНЫЕ КОЛЬЦА, ШАЙБЫ И БОЛТЫ
(5)
04 СОЕДИНЕНИЯ С РАЗВАЛЬЦОВКОЙ 90 град. SAE-J1453
(347)
01 ШТУЦЕРА ВВЕРТНЫЕ F
(147)
02 ШТУЦЕРА ВВЕРТНЫЕ УДЛИНЕННЫЕ FM
(77)
07 СОЕДИНЕНИЯ ПЕРЕБОРОЧНЫЕ PD
(10)
08 СОЕДИНЕНИЯ ПРОХОДНЫЕ Р
(62)
09 СОЕДИНЕНИЯ ПРОХОДНЫЕ С НАКИДНОЙ ГАЙКОЙ РN
(27)
10 АДАПТЕРЫ А
(5)
13 ЗАГЛУШКИ
(14)
14 КОМПЛЕКТУЮЩИЕ И ЗАПАСНЫЕ ЧАСТИ
(5)
CОЕДИНЕНИЯ С РАЗВАЛЬЦОВКОЙ 37 град. SAE-J514
(595)
03 ШТУЦЕРА ВВЕРТНЫЕ РЕГУЛИРУЕМЫЕ FR
(45)
05 ШТУЦЕРА ВВЕРТНЫЕ С НАКИДНОЙ ГАЙКОЙ FN
(99)
06 СОЕДИНЕНИЯ ПЕРЕБОРОЧНЫЕ PD
(37)
07 СОЕДИНЕНИЯ ПРОХОДНЫЕ P
(68)
08 СОЕДИНЕНИЯ ПРОХОДНЫЕ C НАКИДНОЙ ГАЙКОЙ PN
(35)
09 СОЕДИНЕНИЯ ПРИВАРНЫЕ W
(15)
10 СОЕДИНЕНИЯ ДЛЯ ПОДКЛЮЧЕНИЯ ИЗМЕРИТЕЛЬНЫХ УСТРОЙСТВ GS
(11)
11 ЗАГЛУШКИ V
(27)
12 ГАЙКИ И ВТУЛКИ
(31)
ШТУЦЕРА ВВЕРТНЫЕ F
(223)
ШТУЦЕРА ВВЕРТНЫЕ УДЛИНЕННЫЕ FM
(4)
CОЕДИНЕНИЯ, УГОЛ КОНУСА 24 град. DIN 2353
(1787)
01 ШТУЦЕРА ВВЕРТНЫЕ F
(577)
02 ШТУЦЕРА ВВЕРТНЫЕ РЕГУЛИРУЕМЫЕ FR
(56)
03 ШТУЦЕРА ВВЕРТНЫЕ С НАКИДНОЙ ГАЙКОЙ FN
(92)
04 СОЕДИНЕНИЯ ПРОХОДНЫЕ С НАКИДНОЙ ГАЙКОЙ PN
(325)
05 СОЕДИНЕНИЯ ПРОХОДНЫЕ
(178)
06 СОЕДИНЕНИЯ ПРОХОДНЫЕ РЕДУКЦИОННЫЕ PR
(94)
07 СОЕДИНЕНИЯ ПЕРЕБОРОЧНЫЕ PD
(45)
09 СОЕДИНЕНИЯ ПРИВАРНЫЕ W
(93)
10 СОЕДИНЕНИЯ BANJO J
(118)
11 СОЕДИНЕНИЯ ДЛЯ ПОДКЛЮЧЕНИЯ ИЗМЕРИТЕЛЬНЫХ УСТРОЙСТВ GC
(17)
12 ЗАГЛУШКИ V
(81)
13 ГАЙКИ, ВРЕЗНЫЕ КОЛЬЦА, ШАЙБЫ И БОЛТЫ
(111)
Адаптеры и соединения Cast (Италия)
(3307)
Фитинги Cast
(832)
BANJO BOLT BSP
(7)
BANJO BOLT METRIC
(9)
BANJO BSP
(19)
BANJO METRIC
(19)
BEL (Ш)
(76)
BSP (Г)
(130)
BSP (Ш)
(27)
BSPT
(19)
DKM (Г)
(65)
DKM (Ш)
(21)
DKO-L (Г)
(51)
DKO-L (Ш)
(16)
DKO-S (Г)
(54)
DKO-S (Ш)
(18)
JIC (Г)
(116)
JIC (Ш)
(22)
NPTF
(19)
ORFS (Г)
(46)
ORFS (Ш)
(15)
SF 3000
(35)
Ещё...
Муфты Cast
(61)
01 Муфты 1SN/2SC
(9)
01 Муфты R7
(8)
03 Муфты 1SN/2SC с зачисткой
(7)
05 Муфты 1SC
(4)
07 Муфты 1SN/2SN/2SC
(11)
09 Муфты 2SN
(10)
11 Муфты 2SN с зачисткой
(1)
24 Муфты 4SH
(4)
26 Муфты 4SP
(4)
28 Муфты 4SP/4SH
(3)
Муфты и фитинги Cast (Италия)
(893)
Наши склады
Оплата
Доставка
Контакты
Сравнение товаров
0
Корзина
пусто
Главная
>
Каталог
>
Адаптеры и соединения Cast (Италия)
>
CОЕДИНЕНИЯ, УГОЛ КОНУСА 24 град. DIN 2353
>
01 ШТУЦЕРА ВВЕРТНЫЕ F
>
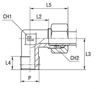
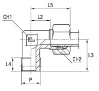
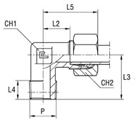
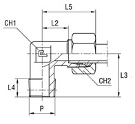
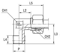
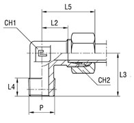
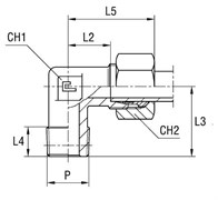
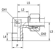
27 УГЛОВЫЕ 90 ГРАД NPT, УПЛОТНЕНИЕ ТИП С
27 УГЛОВЫЕ 90 ГРАД NPT, УПЛОТНЕНИЕ ТИП С
Сортировка:
Без сортировки
Популярные
Новое поступление
Сначала дешевле
Сначала дороже
По размеру скидки
Высокий рейтинг
Названию, по возрастанию
Названию, по убыванию
Всего найдено:
40
Быстрый просмотр
Штуцер FC90 DL06 NPT 1/4" (корпус)
Артикул:
102124.1
449
руб.
Покупаю!
Быстрый просмотр
Штуцер FC90 DL06 NPT 1/8" (корпус)
Артикул:
102104.1
369
руб.
Покупаю!
Быстрый просмотр
Штуцер FC90 DL06 NPT 1/8" (корпус) нерж.
Артикул:
112104.1
2 420
руб.
Покупаю!
Быстрый просмотр
Штуцер FC90 DL08 NPT 1/2" (корпус)
Артикул:
102127.1
1 574
руб.
Покупаю!
Быстрый просмотр
Штуцер FC90 DL08 NPT 1/4" (в сборе)
Артикул:
102105
580
руб.
Покупаю!
Быстрый просмотр
Штуцер FC90 DL08 NPT 1/4" (корпус)
Артикул:
102105.1
413
руб.
Покупаю!
Быстрый просмотр
Штуцер FC90 DL08 NPT 1/8" (корпус)
Артикул:
102125.1
419
руб.
Покупаю!
Быстрый просмотр
Штуцер FC90 DL08 NPT 3/8" (корпус)
Артикул:
102126.1
1 477
руб.
Покупаю!
Быстрый просмотр
Штуцер FC90 DL08 NPT 3/8" B4 (в сборе )
Артикул:
102126.4
1 680
руб.
Покупаю!
Быстрый просмотр
Штуцер FC90 DL10 NPT 1/2" (корпус)
Артикул:
102130.1
1 574
руб.
Покупаю!
Быстрый просмотр
Штуцер FC90 DL10 NPT 1/4" (корпус)
Артикул:
102106.1
466
руб.
Покупаю!
Быстрый просмотр
Штуцер FC90 DL10 NPT 1/8" (корпус)
Артикул:
102128.1
1 403
руб.
Покупаю!
Быстрый просмотр
Штуцер FC90 DL10 NPT 3/8" (корпус)
Артикул:
102129.1
571
руб.
Покупаю!
Быстрый просмотр
Штуцер FC90 DL12 NPT 1/2" (корпус)
Артикул:
102132.1
751
руб.
Покупаю!
Быстрый просмотр
Штуцер FC90 DL12 NPT 1/4" (корпус)
Артикул:
102131.1
571
руб.
Покупаю!
Быстрый просмотр
Штуцер FC90 DL12 NPT 3/8" (корпус)
Артикул:
102107.1
537
руб.
Покупаю!
Быстрый просмотр
Штуцер FC90 DL15 NPT 1/2" (корпус)
Артикул:
102108.1
707
руб.
Покупаю!
Быстрый просмотр
Штуцер FC90 DL15 NPT 3/8" (корпус)
Артикул:
102133.1
748
руб.
Покупаю!
Быстрый просмотр
Штуцер FC90 DL18 NPT 1/2" (корпус)
Артикул:
102109.1
1 034
руб.
Покупаю!
Быстрый просмотр
Штуцер FC90 DL18 NPT 3/4" (корпус)
Артикул:
102134.1
2 084
руб.
Покупаю!
Быстрый просмотр
Штуцер FC90 DL22 NPT 3/4" (корпус)
Артикул:
102110.1
1 319
руб.
Покупаю!
Быстрый просмотр
Штуцер FC90 DL28 NPT 1" (корпус)
Артикул:
102111.1
2 145
руб.
Покупаю!
Быстрый просмотр
Штуцер FC90 DL35 NPT 1.1/4" (корпус)
Артикул:
102112.1
3 188
руб.
Покупаю!
Быстрый просмотр
Штуцер FC90 DL42 NPT 1.1/2" (корпус)
Артикул:
102113.1
6 064
руб.
Покупаю!
Быстрый просмотр
Штуцер FC90 DS06 NPT 1/4" (корпус)
Артикул:
102114.1
436
руб.
Покупаю!
Быстрый просмотр
Штуцер FC90 DS08 NPT 1/4" (корпус)
Артикул:
102115.1
515
руб.
Покупаю!
Быстрый просмотр
Штуцер FC90 DS10 NPT 3/8" (корпус)
Артикул:
102116.1
554
руб.
Покупаю!
Быстрый просмотр
Штуцер FC90 DS12 NPT 1/2" (корпус)
Артикул:
102135.1
1 574
руб.
Покупаю!
Быстрый просмотр
Штуцер FC90 DS12 NPT 3/8" (корпус)
Артикул:
102117.1
612
руб.
Покупаю!
Быстрый просмотр
Штуцер FC90 DS14 NPT 1/2" (корпус)
Артикул:
102118.1
1 574
руб.
Покупаю!
Быстрый просмотр
Штуцер FC90 DS14 NPT 3/8" (корпус)
Артикул:
102136.1
1 561
руб.
Покупаю!
Быстрый просмотр
Штуцер FC90 DS16 NPT 1/2" (корпус)
Артикул:
102119.1
994
руб.
Покупаю!
Быстрый просмотр
Штуцер FC90 DS16 NPT 3/8" (корпус)
Артикул:
102137.1
1 715
руб.
Покупаю!
Быстрый просмотр
Штуцер FC90 DS20 NPT 1/2" (корпус)
Артикул:
102138.1
2 084
руб.
Покупаю!
Быстрый просмотр
Штуцер FC90 DS20 NPT 1/2" B4 (в сборе)
Артикул:
102138.4
2 641
руб.
Покупаю!
Быстрый просмотр
Штуцер FC90 DS20 NPT 3/4" (корпус)
Артикул:
102120.1
1 412
руб.
Покупаю!
Быстрый просмотр
Штуцер FC90 DS25 NPT 1" (корпус)
Артикул:
102121.1
2 145
руб.
Покупаю!
Быстрый просмотр
Штуцер FC90 DS25 NPT 3/4" (корпус)
Артикул:
102139.1
2 587
руб.
Покупаю!
Быстрый просмотр
Штуцер FC90 DS30 NPT 1.1/4" (корпус)
Артикул:
102122.1
4 222
руб.
Покупаю!
Быстрый просмотр
Штуцер FC90 DS30 NPT 1" (корпус)
Артикул:
102140.1
4 222
руб.
Покупаю!