Промышленные рукава AlfaGomma (Италия), фитинги Cast (Италия) - официальные поставки в Россию

Купить Фитинг BANJO BOLT 10x1 от производителя Cast

466
руб.
Есть в наличии
Количество:
Доступно
Артикул:
804901
Вес:
0
кг.

Если Вы хотите заказать изделие из нержавеющей стали, замените первые две цифры артикула с 80.... на 81....

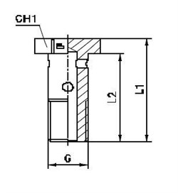
Характеристики

АртикулБрендL1L2МТип фитинга
804901CAST262110x1BANJO
  • Бренд
    Cast
  • Размер L1 фитинги Каст
    26
  • Размер L2 фитинги Каст
    21
  • Размер M фитинги Каст
    10x1
  • Тип фитинга для РВД
    BANJO