Промышленные рукава AlfaGomma (Италия), фитинги Cast (Италия) - официальные поставки в Россию

Купить Фитинг DN 06 JIC (Г) 1/2 (90) (штифтованная гайка) от производителя Cast

223
руб.
Есть в наличии
Количество:
Доступно
Артикул:
802004
Вес:
0
кг.

Если вы хотите заказать изделие из нержавеющей стали, замените первые две цифры артикула с 80.... на 81....

Характеристики

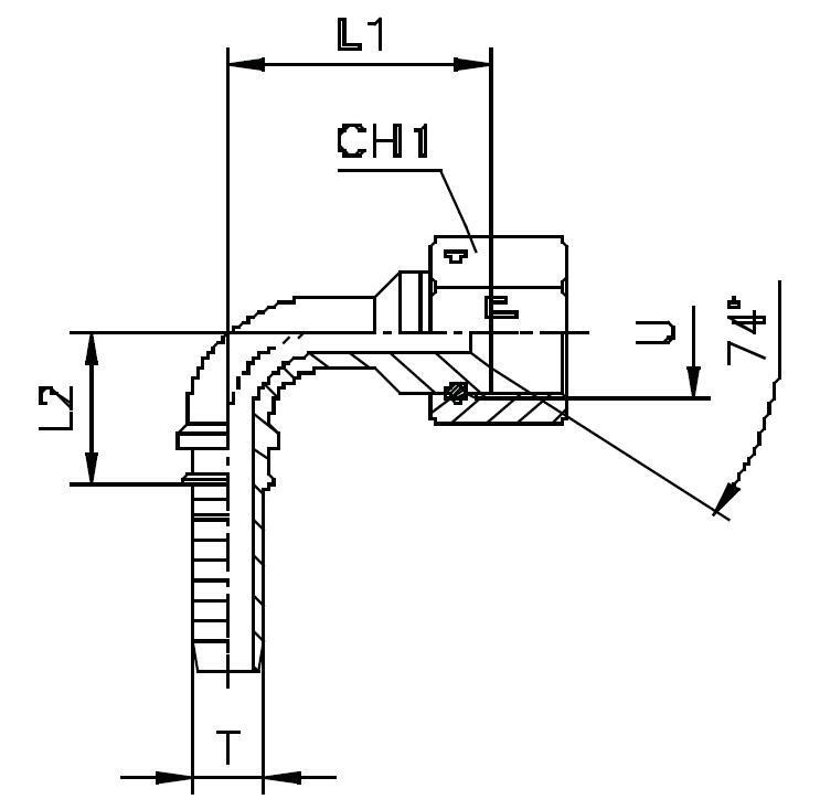
АртикулБрендDASHDNID (дюйм)L1L2UWP (bar)Вид
802004CAST-461/42621,51/2-20450X
  • DASH размер продукции (рукава, фитинги, TC)
    -4
  • DN (услов внут диам рукава, фитингов)
    6
  • ID (дюйм)
    1/4
  • WP (bar) рабочее давление
    450
  • Бренд
    Cast
  • Вид
    X
  • Размер L1 фитинги Каст
    26
  • Размер L2 фитинги Каст
    21,5
  • Размер U фитинги Каст
    1/2-20