Промышленные рукава AlfaGomma (Италия), фитинги Cast (Италия) - официальные поставки в Россию

Купить Фитинг DN 10 JIC (Г) 7/8 (90) (штифтованная гайка) от производителя Cast

686
руб.
Есть в наличии
Количество:
Доступно
Артикул:
802009
Вес:
0
кг.

Если вы хотите заказать изделие из нержавеющей стали, замените первые две цифры артикула с 80.... на 81....

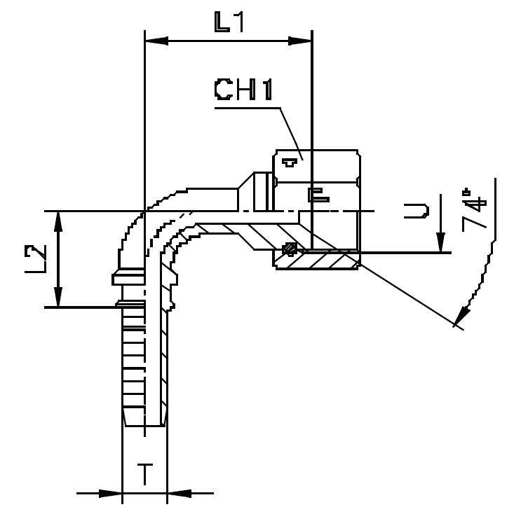
Характеристики

АртикулБрендDASHDNID (дюйм)L1L2UWP (bar)Вид
802009CAST-6103/842,5297/8-14350X
  • DASH размер продукции (рукава, фитинги, TC)
    -6
  • DN (услов внут диам рукава, фитингов)
    10
  • ID (дюйм)
    3/8
  • WP (bar) рабочее давление
    350
  • Бренд
    Cast
  • Вид
    X
  • Размер L1 фитинги Каст
    42,5
  • Размер L2 фитинги Каст
    29
  • Размер U фитинги Каст
    7/8-14