Промышленные рукава AlfaGomma (Италия), фитинги Cast (Италия) - официальные поставки в Россию

Купить Фитинг DN 12 JIC (Г) 1.1/16 (90) (накидная гайка) от производителя Cast

750
руб.
Есть в наличии
Количество:
Доступно
Артикул:
802062
Вес:
0
кг.

Если вы хотите заказать изделие из нержавеющей стали, замените первые две цифры артикула с 80.... на 81....

Характеристики

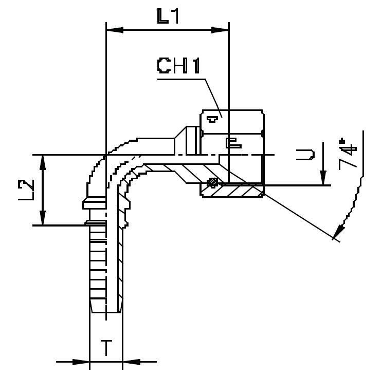
АртикулБрендDASHDNID (дюйм)L1L2UWP (bar)Вид
802062CAST-8121/24135,51 1/16-12350Y
  • DASH размер продукции (рукава, фитинги, TC)
    -8
  • DN (услов внут диам рукава, фитингов)
    12
  • ID (дюйм)
    1/2
  • WP (bar) рабочее давление
    350
  • Бренд
    Cast
  • Вид
    Y
  • Размер L1 фитинги Каст
    41
  • Размер L2 фитинги Каст
    35,5
  • Размер U фитинги Каст
    1 1/16-12