Промышленные рукава AlfaGomma (Италия), фитинги Cast (Италия) - официальные поставки в Россию

Купить Фитинг DN 12 JIC (Г) 7/8 (90) (штифтованная гайка) от производителя Cast

443
руб.
Есть в наличии
Количество:
Доступно
Артикул:
802011
Вес:
0
кг.

Если вы хотите заказать изделие из нержавеющей стали, замените первые две цифры артикула с 80.... на 81....

Характеристики

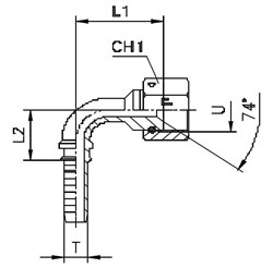
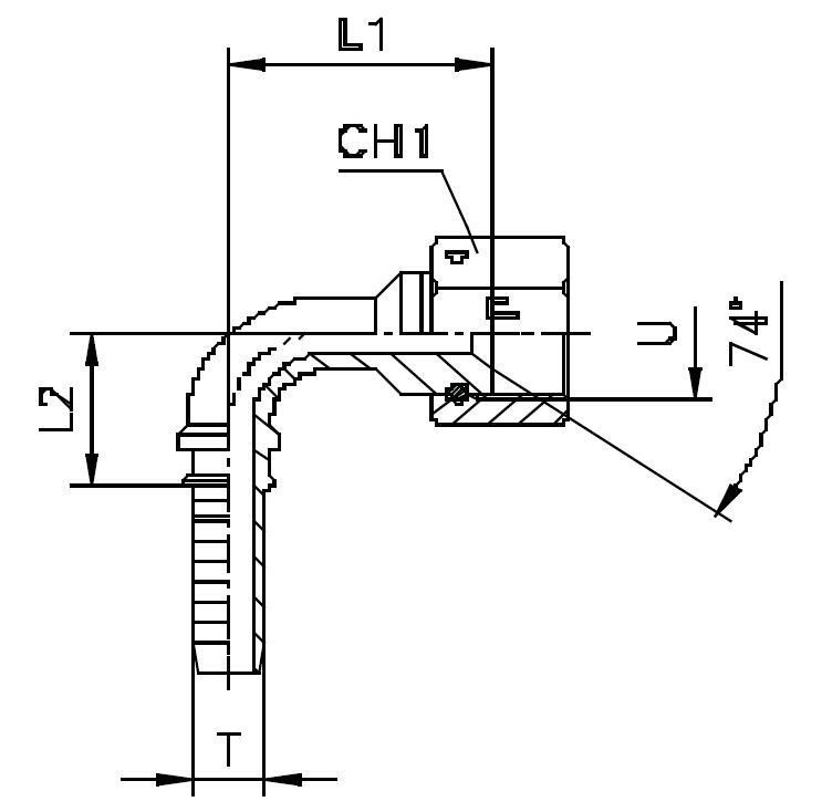
АртикулБрендDASHDNID (дюйм)L1L2UWP (bar)Вид
802011CAST-8121/242,5367/8-14350X
  • DASH размер продукции (рукава, фитинги, TC)
    -8
  • DN (услов внут диам рукава, фитингов)
    12
  • ID (дюйм)
    1/2
  • WP (bar) рабочее давление
    350
  • Бренд
    Cast
  • Вид
    X
  • Размер L1 фитинги Каст
    42,5
  • Размер L2 фитинги Каст
    36
  • Размер U фитинги Каст
    7/8-14