Промышленные рукава AlfaGomma (Италия), фитинги Cast (Италия) - официальные поставки в Россию

Купить Фитинг DN 25 JIC (Г) 1.5/16 (90) (штифтованная гайка) от производителя Cast

1 086
руб.
Есть в наличии
Количество:
Доступно
Артикул:
802018
Вес:
0
кг.

Если вы хотите заказать изделие из нержавеющей стали, замените первые две цифры артикула с 80.... на 81....

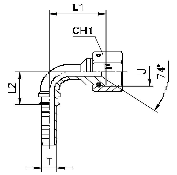
Характеристики

АртикулБрендDASHDNID (дюйм)L1L2UWP (bar)Вид
802018CAST-1625162,5631 5/16-12280X
  • DASH размер продукции (рукава, фитинги, TC)
    -16
  • DN (услов внут диам рукава, фитингов)
    25
  • ID (дюйм)
    1
  • WP (bar) рабочее давление
    280
  • Бренд
    Cast
  • Вид
    X
  • Размер L1 фитинги Каст
    62,5
  • Размер L2 фитинги Каст
    63
  • Размер U фитинги Каст
    1 5/16-12