Промышленные рукава AlfaGomma (Италия), фитинги Cast (Италия) - официальные поставки в Россию

Купить Фитинг DN 50 JIC (Г) 2.1/2 (90) (штифтованная гайка) от производителя Cast

9 033
руб.
Есть в наличии
Количество:
Доступно
Артикул:
802023
Вес:
0
кг.

Если вы хотите заказать изделие из нержавеющей стали, замените первые две цифры артикула с 80.... на 81....

Характеристики

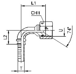
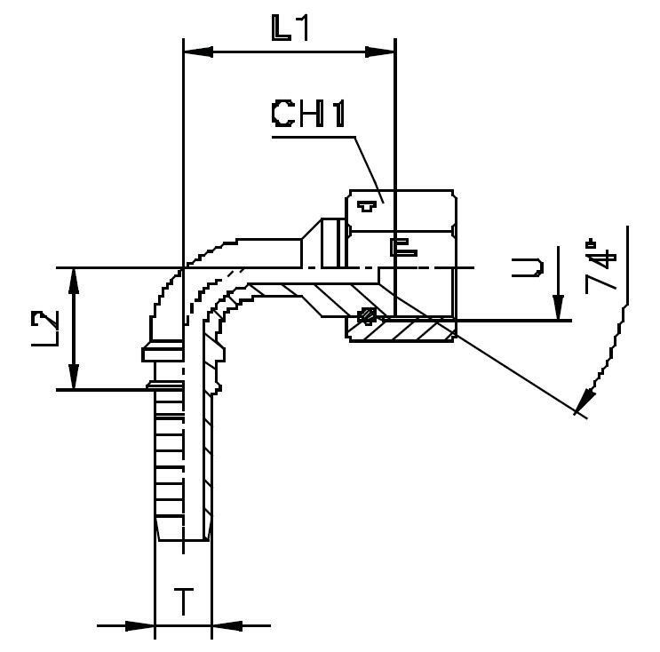
АртикулБрендDASHDNID (дюйм)L1L2UWP (bar)Вид
802023CAST-32512123,5137,52 1/2-12100X
  • DASH размер продукции (рукава, фитинги, TC)
    -32
  • DN (услов внут диам рукава, фитингов)
    51
  • ID (дюйм)
    2
  • WP (bar) рабочее давление
    100
  • Бренд
    Cast
  • Вид
    X
  • Размер L1 фитинги Каст
    123,5
  • Размер L2 фитинги Каст
    137,5
  • Размер U фитинги Каст
    2 1/2-12