Промышленные рукава AlfaGomma (Италия), фитинги Cast (Италия) - официальные поставки в Россию

Купить Штуцер FB DL08 M12x1.5 (корпус) от производителя Cast

99
руб.
Есть в наличии
Количество:
Доступно
Артикул:
100405.1
Вес:
0
кг.

Если вы хотите заказать фитинг из нержавеющей стали AISI 316, замените первые две цифры артикула с 10.... на 11.... Если вы хотите заказать фитинг из нержавеющей стали AISI 316 с гайкой из нержавеющей стали AISI 304, замените первые две цифры артикула с 10.... на 14....

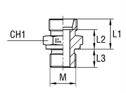
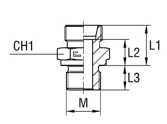
Характеристики

АртикулБрендCH1CH2L1 (мм)L2 (мм)L3L4Ø трубы D1WP (bar)резьба MсерияСтандарт ТС
100405.1CAST171717101225831512x1,5LСоединения 24° DIN 2353
  • D трубы M1 D1
    8
  • WP (bar) рабочее давление
    315
  • Бренд
    Cast
  • Размер CH1
    17
  • Размер CH2
    17
  • Размер L1 (мм)
    17
  • Размер L2 (мм)
    10
  • Размер L3
    12
  • Размер L4
    25
  • Размер резьбы 12
    12x1,5
  • Серия
    L
  • Стандарт трубных соединений
    Соединения 24° DIN 2353