Промышленные рукава AlfaGomma (Италия), фитинги Cast (Италия) - официальные поставки в Россию

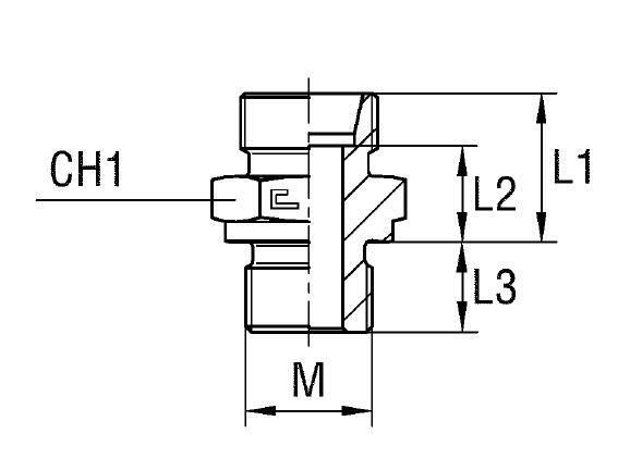
Штуцер FB DL15 M16x1.5 (корпус)

325
руб.
Есть в наличии
Количество:
Доступно
Артикул:
100432.1
Вес:
0
кг.

Если вы хотите заказать фитинг из нержавеющей стали AISI 316, замените первые две цифры артикула с 10.... на 11.... Если вы хотите заказать фитинг из нержавеющей стали AISI 316 с гайкой из нержавеющей стали AISI 304, замените первые две цифры артикула с 10.... на 14....

Характеристики

АртикулБрендCH1CH2L1 (мм)L2 (мм)L3L4Ø трубы D1WP (bar)резьба MсерияСтандарт ТС
100432.1CAST2427201312281531516x1,5LСоединения 24° DIN 2353
  • D трубы M1 D1
    15
  • WP (bar) рабочее давление
    315
  • Размер CH1
    24
  • Размер CH2
    27
  • Размер L1 (мм)
    20
  • Размер L2 (мм)
    13
  • Размер L3
    12
  • Размер L4
    28
  • Размер резьбы 12
    16x1,5
  • Серия
    L
  • Стандарт трубных соединений
    Соединения 24° DIN 2353