Промышленные рукава AlfaGomma (Италия), фитинги Cast (Италия) - официальные поставки в Россию

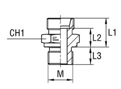
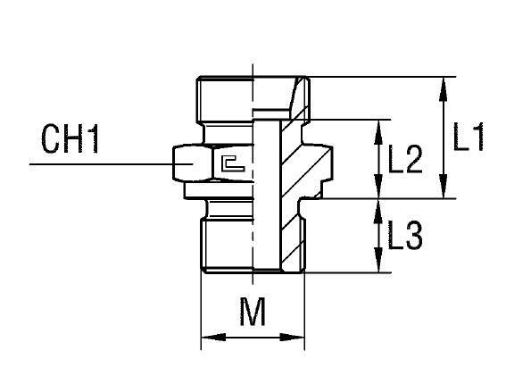
Штуцер FB DS14 M20x1.5 (корпус)

788
руб.
Есть в наличии
Количество:
Доступно
Артикул:
100418.1
Вес:
0
кг.

Если вы хотите заказать фитинг из нержавеющей стали AISI 316, замените первые две цифры артикула с 10.... на 11.... Если вы хотите заказать фитинг из нержавеющей стали AISI 316 с гайкой из нержавеющей стали AISI 304, замените первые две цифры артикула с 10.... на 14....

Характеристики

АртикулБрендCH1CH2L1 (мм)L2 (мм)L3L4Ø трубы D1WP (bar)резьба MсерияСтандарт ТС
100418.1CAST2727271914371463020x1,5SСоединения 24° DIN 2353
  • D трубы M1 D1
    14
  • WP (bar) рабочее давление
    630
  • Размер CH1
    27
  • Размер CH2
    27
  • Размер L1 (мм)
    27
  • Размер L2 (мм)
    19
  • Размер L3
    14
  • Размер L4
    37
  • Размер резьбы 12
    20x1,5
  • Серия
    S
  • Стандарт трубных соединений
    Соединения 24° DIN 2353