Промышленные рукава AlfaGomma (Италия), фитинги Cast (Италия) - официальные поставки в Россию

Купить Штуцер FC BSP 1" NPT 1" от производителя Cast

576
руб.
Есть в наличии
Количество:
Доступно
Артикул:
300411
Вес:
0
кг.

Если Вы хотите заказать изделие из нержавеющей стали, замените первые две цифры артикула с 30.... на 31....

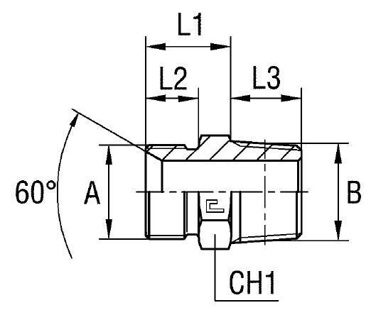
Характеристики

АртикулБрендA +0,13 -0,00BCH1L1 (мм)L2 (мм)L3WP (bar)серияСтандарт ТС
300411CAST1136291924160УниверсальнаяСоединения 60° BS-5200
  • USIT Размер A +0,13 -0,00
    1
  • WP (bar) рабочее давление
    160
  • Бренд
    Cast
  • Размер B
    1
  • Размер CH1
    36
  • Размер L1 (мм)
    29
  • Размер L2 (мм)
    19
  • Размер L3
    24
  • Серия
    Универсальная
  • Стандарт трубных соединений
    Соединения 60° BS-5200