Ваш город - Москва,
угадали?

Промышленные рукава AlfaGomma (Италия), фитинги Cast (Италия) - официальные поставки в Россию

Купить Штуцер FC BSP 1/4" BSPT 1/4" от производителя Cast

70
руб.
Есть в наличии
Количество:
Доступно
Артикул:
300303
Вес:
0
кг.

Если Вы хотите заказать изделие из нержавеющей стали, замените первые две цифры артикула с 30.... на 31....

Характеристики

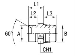
АртикулБрендA +0,13 -0,00BCH1L1 (мм)L2 (мм)L3WP (bar)серияСтандарт ТС
300303CAST1/41/414171114,5350УниверсальнаяСоединения 60° BS-5200
  • USIT Размер A +0,13 -0,00
    1/4
  • WP (bar) рабочее давление
    350
  • Бренд
    Cast
  • Размер B
    1/4
  • Размер CH1
    14
  • Размер L1 (мм)
    17
  • Размер L2 (мм)
    11
  • Размер L3
    14,5
  • Серия
    Универсальная
  • Стандарт трубных соединений
    Соединения 60° BS-5200