Купить Штуцер FC DL06 NPT 1/8" (корпус) от производителя Cast
Купить Штуцер FC DL06 NPT 1/8" (корпус) от производителя Cast
67
руб.
Есть в наличии
Количество:
Доступно
Артикул:
101804.1
Вес:
0
кг.
Если Вы хотите заказать фитинг из нержавеющей стали AISI 316, замените первые две цифры артикула с 10.... на 11....
Если Вы хотите заказать фитинг из нержавеющей стали AISI 316 с гайкой из нержавеющей стали AISI 304, замените первые две цифры артикула с 10.... на 14....
Позиция не соответствует норме ISO 8434-1.
Если Вы хотите заказать фитинг из нержавеющей стали AISI 316 с гайкой из нержавеющей стали AISI 304, замените первые две цифры артикула с 10.... на 14....
Позиция не соответствует норме ISO 8434-1.
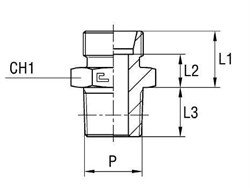
Характеристики
| Артикул | Бренд | CH1 | CH2 | L1 (мм) | L2 (мм) | L3 | L4 | Ø трубы D1 | WP (bar) | резьба P | серия | Стандарт ТС |
| 101804.1 | CAST | 12 | 14 | 14 | 7 | 10 | 22 | 6 | 315 | 1/8 | L | Соединения 24° DIN 2353 |
-
D трубы M1 D16
-
WP (bar) рабочее давление315
-
БрендCast
-
Размер CH112
-
Размер CH214
-
Размер L1 (мм)14
-
Размер L2 (мм)7
-
Размер L310
-
Размер L422
-
Размер резьбы 71/8
-
СерияL
-
Стандарт трубных соединенийСоединения 24° DIN 2353