Купить Штуцер FC DL10 NPT 3/8" (корпус) от производителя Cast
Купить Штуцер FC DL10 NPT 3/8" (корпус) от производителя Cast
144
руб.
Есть в наличии
Количество:
Доступно
Артикул:
101829.1
Вес:
0
кг.
Если Вы хотите заказать фитинг из нержавеющей стали AISI 316, замените первые две цифры артикула с 10.... на 11....
Если Вы хотите заказать фитинг из нержавеющей стали AISI 316 с гайкой из нержавеющей стали AISI 304, замените первые две цифры артикула с 10.... на 14....
Позиция не соответствует норме ISO 8434-1.
Если Вы хотите заказать фитинг из нержавеющей стали AISI 316 с гайкой из нержавеющей стали AISI 304, замените первые две цифры артикула с 10.... на 14....
Позиция не соответствует норме ISO 8434-1.
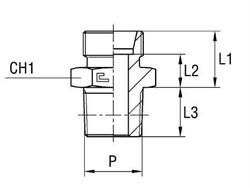
Характеристики
| Артикул | Бренд | CH1 | CH2 | L1 (мм) | L2 (мм) | L3 | L4 | Ø трубы D1 | WP (bar) | резьба P | серия | Стандарт ТС |
| 101829.1 | CAST | 19 | 19 | 17 | 10 | 15 | 25 | 10 | 315 | 3/8 | L | Соединения 24° DIN 2353 |
-
D трубы M1 D110
-
WP (bar) рабочее давление315
-
БрендCast
-
Размер CH119
-
Размер CH219
-
Размер L1 (мм)17
-
Размер L2 (мм)10
-
Размер L315
-
Размер L425
-
Размер резьбы 73/8
-
СерияL
-
Стандарт трубных соединенийСоединения 24° DIN 2353