Купить Штуцер FC DL12 NPT 1/2" (корпус) от производителя Cast
Купить Штуцер FC DL12 NPT 1/2" (корпус) от производителя Cast
181
руб.
Есть в наличии
Количество:
Доступно
Артикул:
101832.1
Вес:
0
кг.
Если Вы хотите заказать фитинг из нержавеющей стали AISI 316, замените первые две цифры артикула с 10.... на 11....
Если Вы хотите заказать фитинг из нержавеющей стали AISI 316 с гайкой из нержавеющей стали AISI 304, замените первые две цифры артикула с 10.... на 14....
Позиция не соответствует норме ISO 8434-1.
Если Вы хотите заказать фитинг из нержавеющей стали AISI 316 с гайкой из нержавеющей стали AISI 304, замените первые две цифры артикула с 10.... на 14....
Позиция не соответствует норме ISO 8434-1.
Характеристики
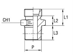
| Артикул | Бренд | CH1 | CH2 | L1 (мм) | L2 (мм) | L3 | L4 | Ø трубы D1 | WP (bar) | резьба P | серия | Стандарт ТС |
| 101832.1 | CAST | 22 | 22 | 17,5 | 10,5 | 19,5 | 25 | 12 | 315 | 1/2 | L | Соединения 24° DIN 2353 |
-
D трубы M1 D112
-
WP (bar) рабочее давление315
-
БрендCast
-
Размер CH122
-
Размер CH222
-
Размер L1 (мм)17,5
-
Размер L2 (мм)10,5
-
Размер L319,5
-
Размер L425
-
Размер резьбы 71/2
-
СерияL
-
Стандарт трубных соединенийСоединения 24° DIN 2353