Купить Штуцер FC DL18 NPT 1/2" (корпус) от производителя Cast
Купить Штуцер FC DL18 NPT 1/2" (корпус) от производителя Cast
251
руб.
Есть в наличии
Количество:
Доступно
Артикул:
101809.1
Вес:
0
кг.
Если Вы хотите заказать фитинг из нержавеющей стали AISI 316, замените первые две цифры артикула с 10.... на 11....
Если Вы хотите заказать фитинг из нержавеющей стали AISI 316 с гайкой из нержавеющей стали AISI 304, замените первые две цифры артикула с 10.... на 14....
Позиция не соответствует норме ISO 8434-1.
Если Вы хотите заказать фитинг из нержавеющей стали AISI 316 с гайкой из нержавеющей стали AISI 304, замените первые две цифры артикула с 10.... на 14....
Позиция не соответствует норме ISO 8434-1.
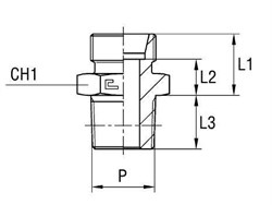
Характеристики
| Артикул | Бренд | CH1 | CH2 | L1 (мм) | L2 (мм) | L3 | L4 | Ø трубы D1 | WP (bar) | резьба P | серия | Стандарт ТС |
| 101809.1 | CAST | 27 | 32 | 19,5 | 12 | 19,5 | 28,5 | 18 | 315 | 1/2 | L | Соединения 24° DIN 2353 |
-
D трубы M1 D118
-
WP (bar) рабочее давление315
-
БрендCast
-
Размер CH127
-
Размер CH232
-
Размер L1 (мм)19,5
-
Размер L2 (мм)12
-
Размер L319,5
-
Размер L428,5
-
Размер резьбы 71/2
-
СерияL
-
Стандарт трубных соединенийСоединения 24° DIN 2353