Промышленные рукава AlfaGomma (Италия), фитинги Cast (Италия) - официальные поставки в Россию

Купить Штуцер FC90 JIC 1.1/16" NPT1/2" от производителя Cast

1 713
руб.
Есть в наличии
Количество:
Доступно
Артикул:
201122.3
Вес:
0
кг.

Если Вы хотите заказать изделие из нержавеющей стали, замените первые две цифры артикула с 20.... на 21....

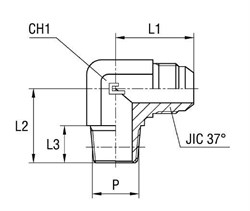
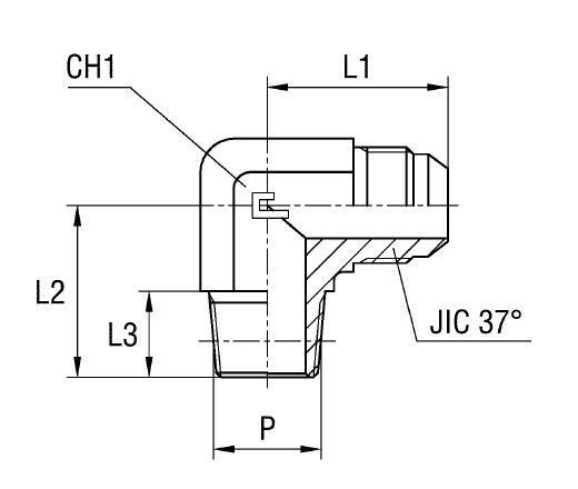
Характеристики

АртикулБрендCH1L1 (мм)L2 (мм)L3Ø трубы D1Ø трубы WWP (bar)резьба JIC 37° Aрезьба PсерияСтандарт ТС
201122.3CAST274237,51918-203/43501 1/16-121/2УниверсальнаяСоединения 37° SAE J514
  • D трубы M1 D1
    18-20
  • D трубы W
    3/4
  • WP (bar) рабочее давление
    350
  • Бренд
    Cast
  • Размер CH1
    27
  • Размер L1 (мм)
    42
  • Размер L2 (мм)
    37,5
  • Размер L3
    19
  • Размер резьбы 7
    1/2
  • Размер резьбы 9
    1 1/16-12
  • Серия
    Универсальная
  • Стандарт трубных соединений
    Соединения 37° SAE J514