Промышленные рукава AlfaGomma (Италия), фитинги Cast (Италия) - официальные поставки в Россию

Купить Штуцер FNE DS6 М12х1.5 от производителя Cast

592
руб.
Есть в наличии
Количество:
Доступно
Артикул:
600614
Вес:
0
кг.

Если Вы хотите заказать изделие из нержавеющей стали, замените первые две цифры артикула с 60... на 61...

Характеристики

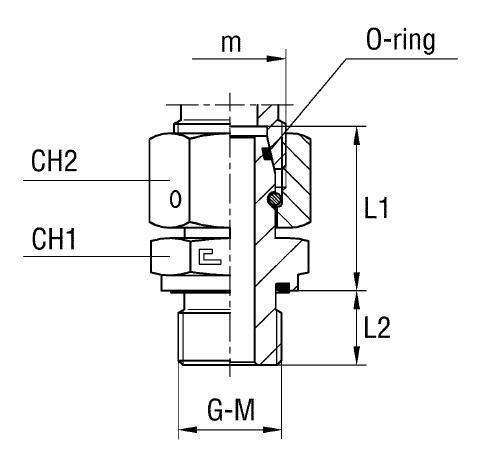
АртикулБрендCH1CH2L1 (мм)L2 (мм)Ø трубы D1WP (bar)резьба Mрезьба m D1серияСтандарт ТС
600614CAST17172712680012x1.514x1.5SСоединения 24° DIN 2353
  • D трубы M1 D1
    6
  • WP (bar) рабочее давление
    800
  • Бренд
    Cast
  • Размер CH1
    17
  • Размер CH2
    17
  • Размер L1 (мм)
    27
  • Размер L2 (мм)
    12
  • Размер резьбы 1
    14x1.5
  • Размер резьбы 12
    12x1.5
  • Серия
    S
  • Стандарт трубных соединений
    Соединения 24° DIN 2353