Промышленные рукава AlfaGomma (Италия), фитинги Cast (Италия) - официальные поставки в Россию

Купить Штуцер FNH DS25 BSP1" от производителя Cast

2 286
руб.
Есть в наличии
Количество:
Доступно
Артикул:
600721
Вес:
0
кг.

Если Вы хотите заказать изделие из нержавеющей стали, замените первые две цифры артикула с 60... на 61...

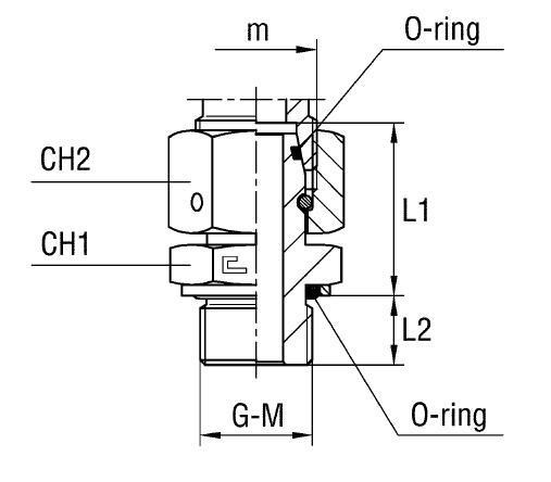
Характеристики

АртикулБрендCH1CH2L1 (мм)L2 (мм)Ø трубы D1WP (bar)резьба Gрезьба m D1серияСтандарт ТС
600721CAST414650,615,425280136x2SСоединения 24° DIN 2353
  • D трубы M1 D1
    25
  • WP (bar) рабочее давление
    280
  • Бренд
    Cast
  • Размер CH1
    41
  • Размер CH2
    46
  • Размер L1 (мм)
    50,6
  • Размер L2 (мм)
    15,4
  • Размер резьбы 1
    36x2
  • Размер резьбы 5
    1
  • Серия
    S
  • Стандарт трубных соединений
    Соединения 24° DIN 2353