Промышленные рукава AlfaGomma (Италия), фитинги Cast (Италия) - официальные поставки в Россию

Купить Штуцер FNLE DL35 BSP1.1/4" (в сборе) от производителя Cast

8 353
руб.
Есть в наличии
Количество:
Доступно
Артикул:
604712
Вес:
0
кг.

Если Вы хотите заказать изделие из нержавеющей стали, замените первые две цифры артикула с 60... на 61...

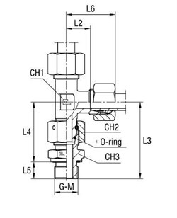
Характеристики

АртикулБрендCH1CH2CH3L2 (мм)L3L4L5L6Ø трубы D1WP (bar)резьба GсерияСтандарт ТСЧасть
604712CAST41505034,589692056352501 1/4LСоединения 24° DIN 2353Изделия из углеродистой стали
  • D трубы M1 D1
    35
  • WP (bar) рабочее давление
    250
  • Бренд
    Cast
  • Порядковый номер таблицы
    Изделия из углеродистой стали
  • Размер CH1
    41
  • Размер CH2
    50
  • Размер CH3
    50
  • Размер L2 (мм)
    34,5
  • Размер L3
    89
  • Размер L4
    69
  • Размер L5
    20
  • Размер L6
    56
  • Размер резьбы 5
    1 1/4
  • Серия
    L
  • Стандарт трубных соединений
    Соединения 24° DIN 2353