Промышленные рукава AlfaGomma (Италия), фитинги Cast (Италия) - официальные поставки в Россию

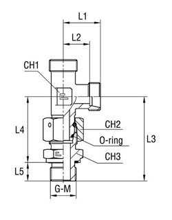
Штуцер FNLE DS8 BSP1/4" (корпус)

897
руб.
Есть в наличии
Количество:
Доступно
Артикул:
604715.1
Вес:
0
кг.

Если Вы хотите заказать изделие из нержавеющей стали, замените первые две цифры артикула с 60... на 61...

Характеристики

АртикулБрендCH1CH2CH3L1 (мм)L2 (мм)L3L4L5Ø трубы D1WP (bar)резьба GсерияСтандарт ТСЧасть
604715.1CAST141919241754,542,51288001/4SСоединения 24° DIN 2353Изделия из углеродистой стали
  • D трубы M1 D1
    8
  • WP (bar) рабочее давление
    800
  • Порядковый номер таблицы
    Изделия из углеродистой стали
  • Размер CH1
    14
  • Размер CH2
    19
  • Размер CH3
    19
  • Размер L1 (мм)
    24
  • Размер L2 (мм)
    17
  • Размер L3
    54,5
  • Размер L4
    42,5
  • Размер L5
    12
  • Размер резьбы 5
    1/4
  • Серия
    S
  • Стандарт трубных соединений
    Соединения 24° DIN 2353