Промышленные рукава AlfaGomma (Италия), фитинги Cast (Италия) - официальные поставки в Россию

Купить Штуцер FNС DL12 NPT3/8" от производителя Cast

775
руб.
Есть в наличии
Количество:
Доступно
Артикул:
601007
Вес:
0
кг.

Если Вы хотите заказать изделие из нержавеющей стали, замените первые две цифры артикула с 60... на 61...
Позиция доступна только по запросу.

Характеристики

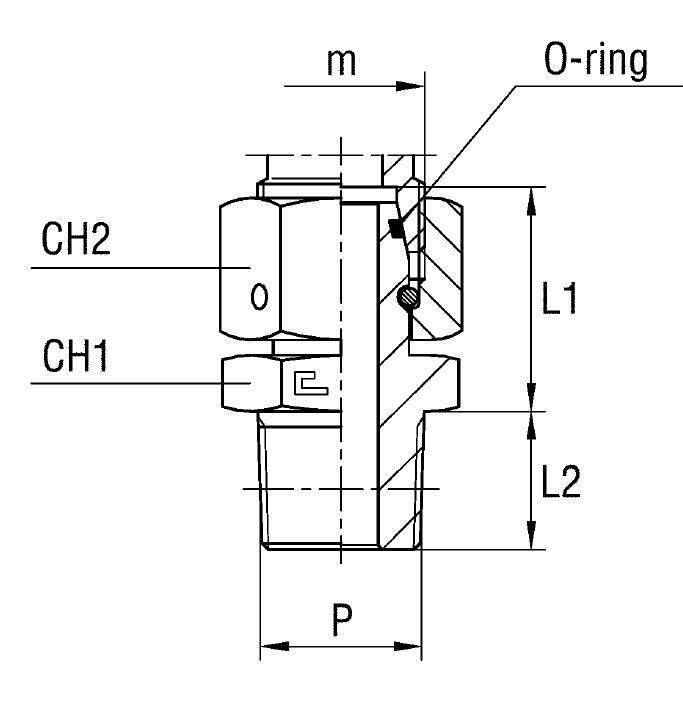
АртикулБрендCH1CH2L1 (мм)L2 (мм)Ø трубы D1WP (bar)резьба m D1резьба PсерияСтандарт ТС
601007CAST221519123153/831.5LСоединения 24° DIN 2353
  • D трубы M1 D1
    12
  • WP (bar) рабочее давление
    315
  • Бренд
    Cast
  • Размер CH2
    22
  • Размер L1 (мм)
    15
  • Размер L2 (мм)
    19
  • Размер резьбы 1
    3/8
  • Размер резьбы 7
    31.5
  • Серия
    L
  • Стандарт трубных соединений
    Соединения 24° DIN 2353