Промышленные рукава AlfaGomma (Италия), фитинги Cast (Италия) - официальные поставки в Россию

Купить Штуцер FRG90 BSP 1.1/4" BSP 1.1/4" от производителя Cast

3 875
руб.
Есть в наличии
Количество:
Доступно
Артикул:
305413
Вес:
0
кг.

Если Вы хотите заказать изделие из нержавеющей стали, замените первые две цифры артикула с 30.... на 31....

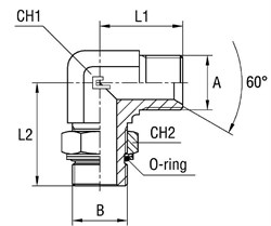
Характеристики

АртикулБрендA +0,13 -0,00BCH1CH2L1 (мм)L2 (мм)WP (bar)серияСтандарт ТС
305413CAST1 1/41 1/441505258200УниверсальнаяСоединения 60° BS-5200
  • USIT Размер A +0,13 -0,00
    1 1/4
  • WP (bar) рабочее давление
    200
  • Бренд
    Cast
  • Размер B
    1 1/4
  • Размер CH1
    41
  • Размер CH2
    50
  • Размер L1 (мм)
    52
  • Размер L2 (мм)
    58
  • Серия
    Универсальная
  • Стандарт трубных соединений
    Соединения 60° BS-5200