Ваш город - Москва,
угадали?

Промышленные рукава AlfaGomma (Италия), фитинги Cast (Италия) - официальные поставки в Россию

Купить Штуцер FRG90 BSP 1/2" BSP 1/2" от производителя Cast

916
руб.
Есть в наличии
Количество:
Доступно
Артикул:
305407
Вес:
0
кг.

Если Вы хотите заказать изделие из нержавеющей стали, замените первые две цифры артикула с 30.... на 31....

Характеристики

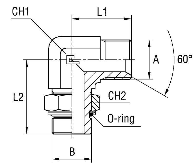
АртикулБрендA +0,13 -0,00BCH1CH2L1 (мм)L2 (мм)WP (bar)серияСтандарт ТС
305407CAST1/21/222303443250УниверсальнаяСоединения 60° BS-5200
  • USIT Размер A +0,13 -0,00
    1/2
  • WP (bar) рабочее давление
    250
  • Бренд
    Cast
  • Размер B
    1/2
  • Размер CH1
    22
  • Размер CH2
    30
  • Размер L1 (мм)
    34
  • Размер L2 (мм)
    43
  • Серия
    Универсальная
  • Стандарт трубных соединений
    Соединения 60° BS-5200