Промышленные рукава AlfaGomma (Италия), фитинги Cast (Италия) - официальные поставки в Россию

Купить Штуцер FRG90 BSP 3/4" BSP 3/4" от производителя Cast

1 304
руб.
Есть в наличии
Количество:
Доступно
Артикул:
305409
Вес:
0
кг.

Если Вы хотите заказать изделие из нержавеющей стали, замените первые две цифры артикула с 30.... на 31....

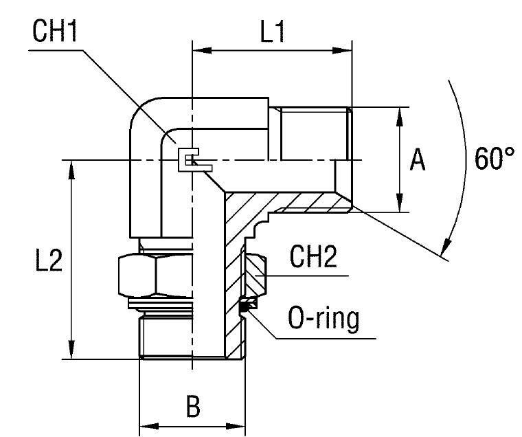
Характеристики

АртикулБрендA +0,13 -0,00BCH1CH2L1 (мм)L2 (мм)WP (bar)серияСтандарт ТС
305409CAST3/43/427364149250УниверсальнаяСоединения 60° BS-5200
  • USIT Размер A +0,13 -0,00
    3/4
  • WP (bar) рабочее давление
    250
  • Бренд
    Cast
  • Размер B
    3/4
  • Размер CH1
    27
  • Размер CH2
    36
  • Размер L1 (мм)
    41
  • Размер L2 (мм)
    49
  • Серия
    Универсальная
  • Стандарт трубных соединений
    Соединения 60° BS-5200