Промышленные рукава AlfaGomma (Италия), фитинги Cast (Италия) - официальные поставки в Россию

Купить Соединение P JIC 1.1/16" JIC 7/8" от производителя Cast

960
руб.
Есть в наличии
Количество:
Доступно
Артикул:
202414.3
Вес:
0
кг.

Если Вы хотите заказать фитинг из нержавеющей стали, замените первые две цифры артикула с 20.... на 21....

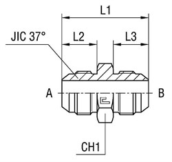
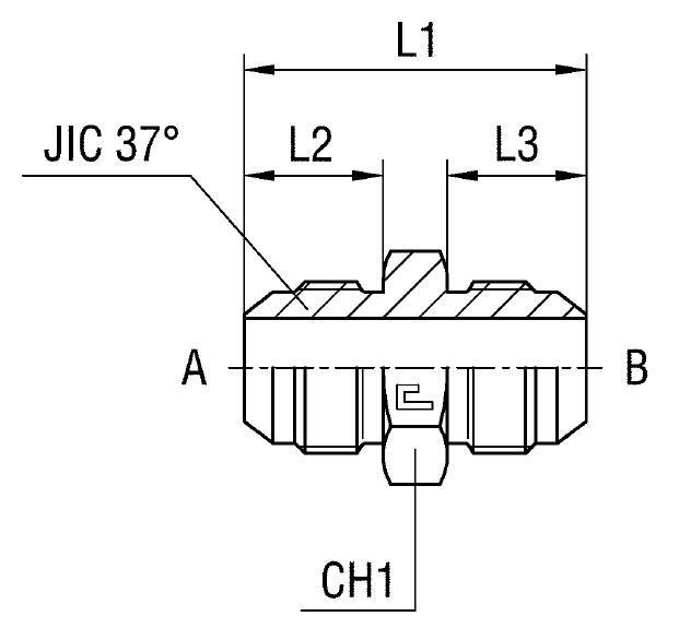
Характеристики

АртикулБрендCH1L1 (мм)L2 (мм)L3Ø трубы AMØ трубы AWØ трубы BMØ трубы BWWP (bar)резьба JIC 37° Aрезьба JIC 37° BсерияСтандарт ТС
202414.3CAST3052,521,919,318-203/414-15-165/83501 1/16-127/8-14УниверсальнаяСоединения 37° SAE J514
  • D трубы AM
    18-20
  • D трубы AW
    3/4
  • D трубы BM
    14-15-16
  • D трубы BW
    5/8
  • WP (bar) рабочее давление
    350
  • Бренд
    Cast
  • Размер CH1
    30
  • Размер L1 (мм)
    52,5
  • Размер L2 (мм)
    21,9
  • Размер L3
    19,3
  • Размер резьбы 13
    7/8-14
  • Размер резьбы 9
    1 1/16-12
  • Серия
    Универсальная
  • Стандарт трубных соединений
    Соединения 37° SAE J514