Промышленные рукава AlfaGomma (Италия), фитинги Cast (Италия) - официальные поставки в Россию

Купить Соединение P JIC 1.5/16" от производителя Cast

603
руб.
Есть в наличии
Количество:
Доступно
Артикул:
202407.3
Вес:
0
кг.

Если Вы хотите заказать фитинг из нержавеющей стали, замените первые две цифры артикула с 20.... на 21....

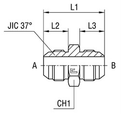
Характеристики

АртикулБрендCH1L1 (мм)L2 (мм)L3Ø трубы AMØ трубы AWØ трубы BMØ трубы BWWP (bar)резьба JIC 37° Aрезьба JIC 37° BсерияСтандарт ТС
202407.3CAST365723,123,12512512901 5/16-121 5/16-12УниверсальнаяСоединения 37° SAE J514
  • D трубы AM
    25
  • D трубы AW
    1
  • D трубы BM
    25
  • D трубы BW
    1
  • WP (bar) рабочее давление
    290
  • Бренд
    Cast
  • Размер CH1
    36
  • Размер L1 (мм)
    57
  • Размер L2 (мм)
    23,1
  • Размер L3
    23,1
  • Размер резьбы 13
    1 5/16-12
  • Размер резьбы 9
    1 5/16-12
  • Серия
    Универсальная
  • Стандарт трубных соединений
    Соединения 37° SAE J514