Промышленные рукава AlfaGomma (Италия), фитинги Cast (Италия) - официальные поставки в Россию

Купить Соединение P JIC 1.7/8" от производителя Cast

2 153
руб.
Есть в наличии
Количество:
Доступно
Артикул:
202409.3
Вес:
0
кг.

Если Вы хотите заказать фитинг из нержавеющей стали, замените первые две цифры артикула с 20.... на 21....

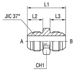
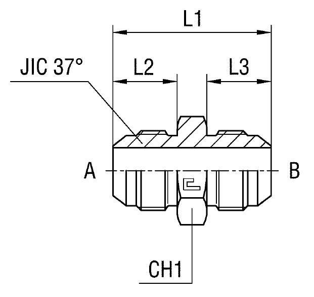
Характеристики

АртикулБрендCH1L1 (мм)L2 (мм)L3Ø трубы AMØ трубы AWØ трубы BMØ трубы BWWP (bar)резьба JIC 37° Aрезьба JIC 37° BсерияСтандарт ТС
202409.3CAST507027,527,5381 1/2381 1/22401 7/8-121 7/8-12УниверсальнаяСоединения 37° SAE J514
  • D трубы AM
    38
  • D трубы AW
    1 1/2
  • D трубы BM
    38
  • D трубы BW
    1 1/2
  • WP (bar) рабочее давление
    240
  • Бренд
    Cast
  • Размер CH1
    50
  • Размер L1 (мм)
    70
  • Размер L2 (мм)
    27,5
  • Размер L3
    27,5
  • Размер резьбы 13
    1 7/8-12
  • Размер резьбы 9
    1 7/8-12
  • Серия
    Универсальная
  • Стандарт трубных соединений
    Соединения 37° SAE J514