Промышленные рукава AlfaGomma (Италия), фитинги Cast (Италия) - официальные поставки в Россию

Купить Соединение P JIC 7/8" JIC 3/4" от производителя Cast

675
руб.
Есть в наличии
Количество:
Доступно
Артикул:
202412.3
Вес:
0
кг.

Если Вы хотите заказать фитинг из нержавеющей стали, замените первые две цифры артикула с 20.... на 21....

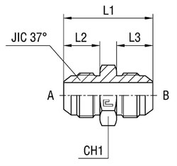
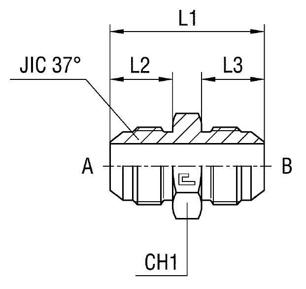
Характеристики

АртикулБрендCH1L1 (мм)L2 (мм)L3Ø трубы AMØ трубы AWØ трубы BMØ трубы BWWP (bar)резьба JIC 37° Aрезьба JIC 37° BсерияСтандарт ТС
202412.3CAST2445,519,316,714-15-165/8121/23507/8-143/4-16УниверсальнаяСоединения 37° SAE J514
  • D трубы AM
    14-15-16
  • D трубы AW
    5/8
  • D трубы BM
    12
  • D трубы BW
    1/2
  • WP (bar) рабочее давление
    350
  • Бренд
    Cast
  • Размер CH1
    24
  • Размер L1 (мм)
    45,5
  • Размер L2 (мм)
    19,3
  • Размер L3
    16,7
  • Размер резьбы 13
    3/4-16
  • Размер резьбы 9
    7/8-14
  • Серия
    Универсальная
  • Стандарт трубных соединений
    Соединения 37° SAE J514