Купить Соединение PF М20х1.5 М20х1.5 от производителя Cast
Купить Соединение PF М20х1.5 М20х1.5 от производителя Cast
612
руб.
Есть в наличии
Количество:
Доступно
Артикул:
300911
Вес:
0
кг.
Если Вы хотите заказать изделие из нержавеющей стали, замените первые две цифры артикула с 30.... на 31....
Позиция доступна только по запросу.
Для уплотнительных систем с омедненной прокладкой обратитесь к нормам давления по позициям 3001...
Позиция доступна только по запросу.
Для уплотнительных систем с омедненной прокладкой обратитесь к нормам давления по позициям 3001...
Характеристики
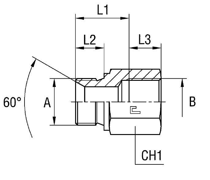
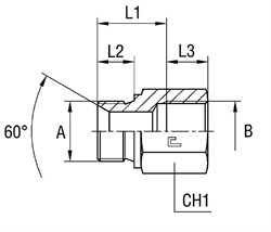
| Артикул | Бренд | A +0,13 -0,00 | B | CH1 | L1 (мм) | L2 (мм) | L3 | WP (bar) | серия | Стандарт ТС | Часть |
| 300911 | CAST | 20x1,5 | 20x1,5 | 27 | 23 | 14 | 16,5 | 350 | UNIVERSALE | Соединения 60° BS-5200 | Изделия из углеродистой стали |
-
USIT Размер A +0,13 -0,0020x1,5
-
WP (bar) рабочее давление350
-
БрендCast
-
Порядковый номер таблицыИзделия из углеродистой стали
-
Размер B20x1,5
-
Размер CH127
-
Размер L1 (мм)23
-
Размер L2 (мм)14
-
Размер L316,5
-
СерияUNIVERSALE
-
Стандарт трубных соединенийСоединения 60° BS-5200