Промышленные рукава AlfaGomma (Италия), фитинги Cast (Италия) - официальные поставки в Россию

Соединение PFE BSP 1" BSP 1/2"

601
руб.
Есть в наличии
Количество:
Доступно
Артикул:
107408
Вес:
0
кг.

Если Вы хотите заказать изделие из нержавеющей стали, замените первые две цифры артикула с 10... на 11...

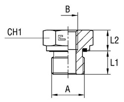
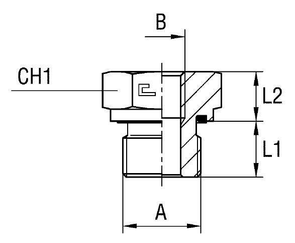
Характеристики

АртикулБрендA +0,13 -0,00BCH1L1 (мм)L2 (мм)WP (bar)серияСтандарт ТС
107408CAST11/2411811315L/SСоединения 24° DIN 2353
  • USIT Размер A +0,13 -0,00
    1
  • WP (bar) рабочее давление
    315
  • Размер B
    1/2
  • Размер CH1
    41
  • Размер L1 (мм)
    18
  • Размер L2 (мм)
    11
  • Серия
    L/S
  • Стандарт трубных соединений
    Соединения 24° DIN 2353