Ваш город - Москва,
угадали?

Промышленные рукава AlfaGomma (Италия), фитинги Cast (Италия) - официальные поставки в Россию

Соединение PFE BSP 1.1/2" BSP 3/4"

1 356
руб.
Есть в наличии
Количество:
Доступно
Артикул:
107412
Вес:
0
кг.

Если Вы хотите заказать изделие из нержавеющей стали, замените первые две цифры артикула с 10... на 11...

Характеристики

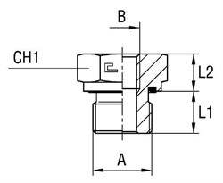
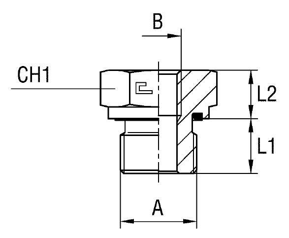
АртикулБрендA +0,13 -0,00BCH1L1 (мм)L2 (мм)WP (bar)серияСтандарт ТС
107412CAST1 1/23/4552214250L/SСоединения 24° DIN 2353
  • USIT Размер A +0,13 -0,00
    1 1/2
  • WP (bar) рабочее давление
    250
  • Размер B
    3/4
  • Размер CH1
    55
  • Размер L1 (мм)
    22
  • Размер L2 (мм)
    14
  • Серия
    L/S
  • Стандарт трубных соединений
    Соединения 24° DIN 2353