Промышленные рукава AlfaGomma (Италия), фитинги Cast (Италия) - официальные поставки в Россию

Соединение PFE BSP 3/4" BSP 1"

990
руб.
Есть в наличии
Количество:
Доступно
Артикул:
107515
Вес:
0
кг.

Если Вы хотите заказать изделие из нержавеющей стали, замените первые две цифры артикула с 10... на 11...

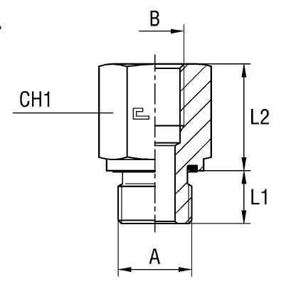
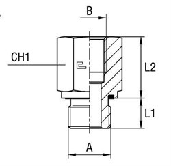
Характеристики

АртикулБрендA +0,13 -0,00BCH1L1 (мм)L2 (мм)WP (bar)серияСтандарт ТС
107515CAST3/41411635315L/SСоединения 24° DIN 2353
  • USIT Размер A +0,13 -0,00
    3/4
  • WP (bar) рабочее давление
    315
  • Размер B
    1
  • Размер CH1
    41
  • Размер L1 (мм)
    16
  • Размер L2 (мм)
    35
  • Серия
    L/S
  • Стандарт трубных соединений
    Соединения 24° DIN 2353