Купить Соединение PFN BSP 1/2" BSP 3/4" от производителя Cast
Купить Соединение PFN BSP 1/2" BSP 3/4" от производителя Cast
738
руб.
Есть в наличии
Количество:
Доступно
Артикул:
301616
Вес:
0
кг.
Если Вы хотите заказать изделие из нержавеющей стали, замените первые две цифры артикула с 30.... на 31....
Для уплотнительных систем с омедненной прокладкой, обратитесь к нормам давления по позициям 3001...
Для уплотнительных систем с омедненной прокладкой, обратитесь к нормам давления по позициям 3001...
Характеристики
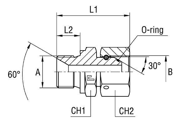
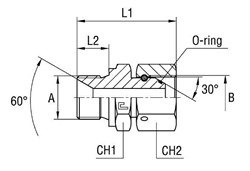
| Артикул | Бренд | A +0,13 -0,00 | B | CH1 | CH2 | L1 (мм) | L2 (мм) | WP (bar) | серия | Стандарт ТС |
| 301616 | CAST | 1/2 | 3/4 | 27 | 32 | 49 | 14 | 315 | Универсальная | Соединения 60° BS-5200 |
-
USIT Размер A +0,13 -0,001/2
-
WP (bar) рабочее давление315
-
БрендCast
-
Размер B3/4
-
Размер CH127
-
Размер CH232
-
Размер L1 (мм)49
-
Размер L2 (мм)14
-
СерияУниверсальная
-
Стандарт трубных соединенийСоединения 60° BS-5200