Купить Соединение PFN BSP 1/8" BSP 1/8" от производителя Cast
Купить Соединение PFN BSP 1/8" BSP 1/8" от производителя Cast
510
руб.
Есть в наличии
Количество:
Доступно
Артикул:
301601
Вес:
0
кг.
Если Вы хотите заказать изделие из нержавеющей стали, замените первые две цифры артикула с 30.... на 31....
Для уплотнительных систем с омедненной прокладкой, обратитесь к нормам давления по позициям 3001...
Для уплотнительных систем с омедненной прокладкой, обратитесь к нормам давления по позициям 3001...
Характеристики
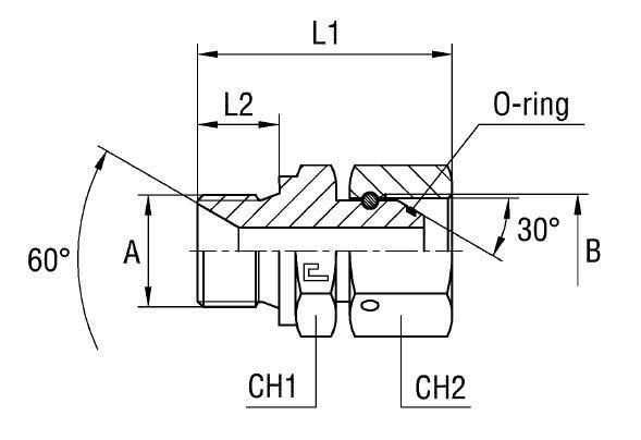
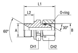
| Артикул | Бренд | A +0,13 -0,00 | B | CH1 | CH2 | L1 (мм) | L2 (мм) | WP (bar) | серия | Стандарт ТС |
| 301601 | CAST | 1/8 | 1/8 | 14 | 14 | 28 | 8 | 400 | Универсальная | Соединения 60° BS-5200 |
-
USIT Размер A +0,13 -0,001/8
-
WP (bar) рабочее давление400
-
БрендCast
-
Размер B1/8
-
Размер CH114
-
Размер CH214
-
Размер L1 (мм)28
-
Размер L2 (мм)8
-
СерияУниверсальная
-
Стандарт трубных соединенийСоединения 60° BS-5200