Купить Соединение PFN BSP 5/8" BSP 5/8" от производителя Cast
Купить Соединение PFN BSP 5/8" BSP 5/8" от производителя Cast
1 038
руб.
Есть в наличии
Количество:
Доступно
Артикул:
301605
Вес:
0
кг.
Если Вы хотите заказать изделие из нержавеющей стали, замените первые две цифры артикула с 30.... на 31....
Для уплотнительных систем с омедненной прокладкой, обратитесь к нормам давления по позициям 3001...
Для уплотнительных систем с омедненной прокладкой, обратитесь к нормам давления по позициям 3001...
Характеристики
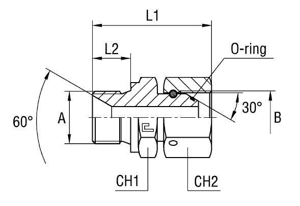
| Артикул | Бренд | A +0,13 -0,00 | B | CH1 | CH2 | L1 (мм) | L2 (мм) | WP (bar) | серия | Стандарт ТС |
| 301605 | CAST | 5/8 | 5/8 | 30 | 30 | 51 | 16 | 350 | Универсальная | Соединения 60° BS-5200 |
-
USIT Размер A +0,13 -0,005/8
-
WP (bar) рабочее давление350
-
БрендCast
-
Размер B5/8
-
Размер CH130
-
Размер CH230
-
Размер L1 (мм)51
-
Размер L2 (мм)16
-
СерияУниверсальная
-
Стандарт трубных соединенийСоединения 60° BS-5200