Промышленные рукава AlfaGomma (Италия), фитинги Cast (Италия) - официальные поставки в Россию

Купить Соединение PFN90 BSP 1 - BSP 1 от производителя Cast

1 681
руб.
Есть в наличии
Количество:
Доступно
Артикул:
306407
Вес:
0
кг.

Если Вы хотите заказать изделие из нержавеющей стали, замените первые две цифры артикула с 30.... на 31....
Позиция доступна только по запросу.

Характеристики

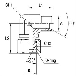
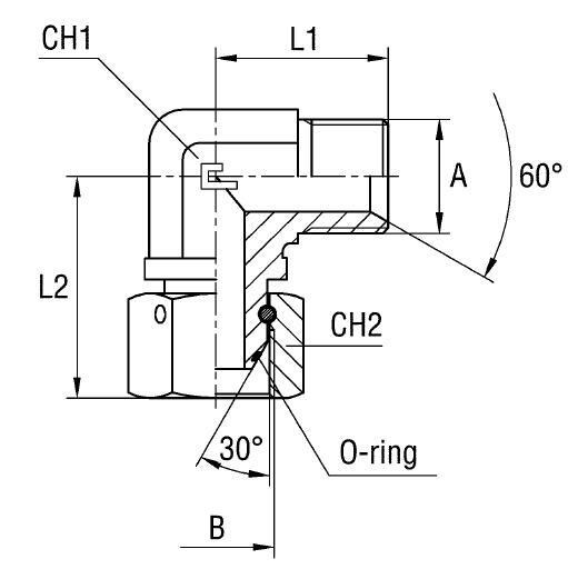
АртикулБрендA +0,13 -0,00BCH1CH2L1 (мм)L2 (мм)WP (bar)серияСтандарт ТС
306407CAST1133414560,5250УниверсальнаяСоединения 60° BS-5200
  • USIT Размер A +0,13 -0,00
    1
  • WP (bar) рабочее давление
    250
  • Бренд
    Cast
  • Размер B
    1
  • Размер CH1
    33
  • Размер CH2
    41
  • Размер L1 (мм)
    45
  • Размер L2 (мм)
    60,5
  • Серия
    Универсальная
  • Стандарт трубных соединений
    Соединения 60° BS-5200