Ваш город - Москва,
угадали?

Промышленные рукава AlfaGomma (Италия), фитинги Cast (Италия) - официальные поставки в Россию

Купить Соединение PFN90 М18х1.5 - М18х1.5 от производителя Cast

1 677
руб.
Есть в наличии
Количество:
Доступно
Артикул:
306504
Вес:
0
кг.

Если Вы хотите заказать изделие из нержавеющей стали, замените первые две цифры артикула с 30.... на 31....
Позиция доступна только по запросу.

Характеристики

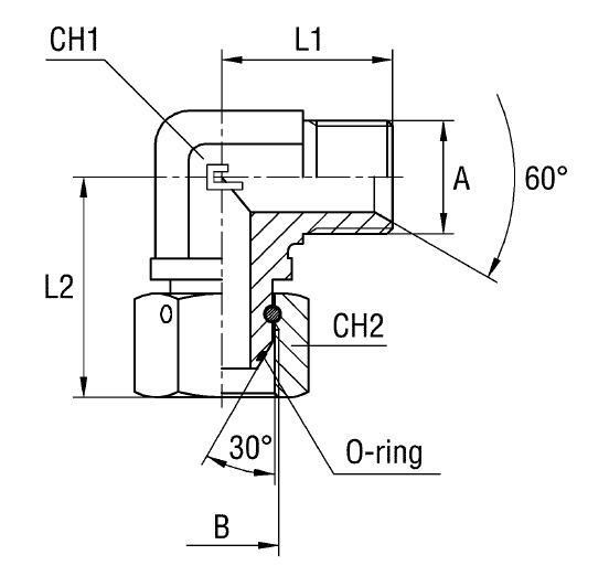
АртикулБрендA +0,13 -0,00BCH1CH2L1 (мм)L2 (мм)WP (bar)серияСтандарт ТС
306504CAST18x1.518x1.519242938400УниверсальнаяСоединения 60° BS-5200
  • USIT Размер A +0,13 -0,00
    18x1.5
  • WP (bar) рабочее давление
    400
  • Бренд
    Cast
  • Размер B
    18x1.5
  • Размер CH1
    19
  • Размер CH2
    24
  • Размер L1 (мм)
    29
  • Размер L2 (мм)
    38
  • Серия
    Универсальная
  • Стандарт трубных соединений
    Соединения 60° BS-5200