Ваш город - Москва,
угадали?

Промышленные рукава AlfaGomma (Италия), фитинги Cast (Италия) - официальные поставки в Россию

Купить Соединение PFN90 М20х1.5 - М20х1.5 от производителя Cast

1 857
руб.
Есть в наличии
Количество:
Доступно
Артикул:
306505
Вес:
0
кг.

Если Вы хотите заказать изделие из нержавеющей стали, замените первые две цифры артикула с 30.... на 31....
Позиция доступна только по запросу.

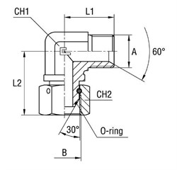
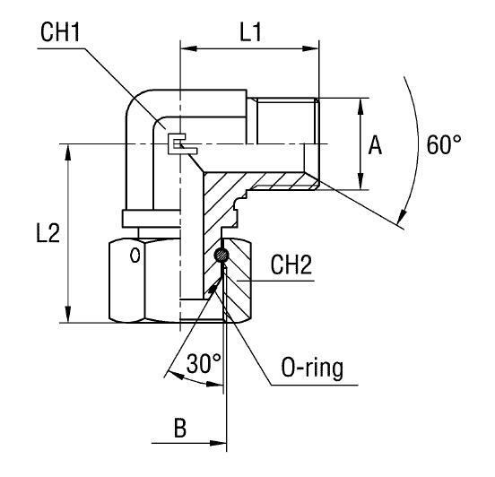
Характеристики

АртикулБрендA +0,13 -0,00BCH1CH2L1 (мм)L2 (мм)WP (bar)серияСтандарт ТС
306505CAST20x1.520x1.522273444350УниверсальнаяСоединения 60° BS-5200
  • USIT Размер A +0,13 -0,00
    20x1.5
  • WP (bar) рабочее давление
    350
  • Бренд
    Cast
  • Размер B
    20x1.5
  • Размер CH1
    22
  • Размер CH2
    27
  • Размер L1 (мм)
    34
  • Размер L2 (мм)
    44
  • Серия
    Универсальная
  • Стандарт трубных соединений
    Соединения 60° BS-5200