Промышленные рукава AlfaGomma (Италия), фитинги Cast (Италия) - официальные поставки в Россию

Купить Соединение PFNL BSP 3/8" от производителя Cast

742
руб.
Есть в наличии
Количество:
Доступно
Артикул:
306603
Вес:
0
кг.

Если Вы хотите заказать изделие из нержавеющей стали, замените первые две цифры артикула с 30.... на 31....

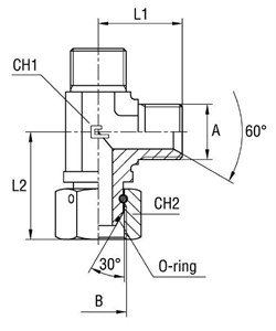
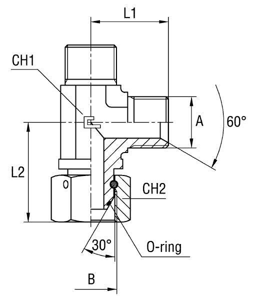
Характеристики

АртикулБрендA +0,13 -0,00BCH1CH2L1 (мм)L2 (мм)WP (bar)серияСтандарт ТС
306603CAST3/83/819222937400УниверсальнаяСоединения 60° BS-5200
  • USIT Размер A +0,13 -0,00
    3/8
  • WP (bar) рабочее давление
    400
  • Бренд
    Cast
  • Размер B
    3/8
  • Размер CH1
    19
  • Размер CH2
    22
  • Размер L1 (мм)
    29
  • Размер L2 (мм)
    37
  • Серия
    Универсальная
  • Стандарт трубных соединений
    Соединения 60° BS-5200