Промышленные рукава AlfaGomma (Италия), фитинги Cast (Италия) - официальные поставки в Россию

Купить Соединение PFNT BSP 1/2" от производителя Cast

908
руб.
Есть в наличии
Количество:
Доступно
Артикул:
306804
Вес:
0
кг.

Если вы хотите заказать изделие из нержавеющей стали, замените первые две цифры артикула с 30.... на 31....

Характеристики

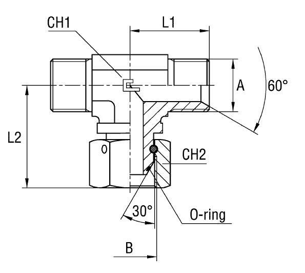
АртикулБрендBCH1CH2L1 (мм)L2 (мм)WP (bar)АсерияСтандарт ТС
306804CAST1/2222734343501/2УниверсальнаяСоединения 60° BS-5200
  • WP (bar) рабочее давление
    350
  • Бренд
    Cast
  • Размер A БРС Текст
    1/2
  • Размер B
    1/2
  • Размер CH1
    22
  • Размер CH2
    27
  • Размер L1 (мм)
    34
  • Размер L2 (мм)
    34
  • Серия
    Универсальная
  • Стандарт трубных соединений
    Соединения 60° BS-5200