Промышленные рукава AlfaGomma (Италия), фитинги Cast (Италия) - официальные поставки в Россию

Купить Соединение PFNT BSP 1/4" от производителя Cast

503
руб.
Есть в наличии
Количество:
Доступно
Артикул:
306802
Вес:
0
кг.

Если вы хотите заказать изделие из нержавеющей стали, замените первые две цифры артикула с 30.... на 31....

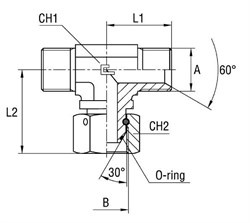
Характеристики

АртикулБрендBCH1CH2L1 (мм)L2 (мм)WP (bar)АсерияСтандарт ТС
306802CAST1/4141926264001/4УниверсальнаяСоединения 60° BS-5200
  • WP (bar) рабочее давление
    400
  • Бренд
    Cast
  • Размер A БРС Текст
    1/4
  • Размер B
    1/4
  • Размер CH1
    14
  • Размер CH2
    19
  • Размер L1 (мм)
    26
  • Размер L2 (мм)
    26
  • Серия
    Универсальная
  • Стандарт трубных соединений
    Соединения 60° BS-5200