Промышленные рукава AlfaGomma (Италия), фитинги Cast (Италия) - официальные поставки в Россию

Соединение PNТ DL10 М16х1.5 (в сборе)

1 064
руб.
Есть в наличии
Количество:
Доступно
Артикул:
605006
Вес:
0
кг.

Если Вы хотите заказать изделие из нержавеющей стали, замените первые две цифры артикула с 60.... на 61....

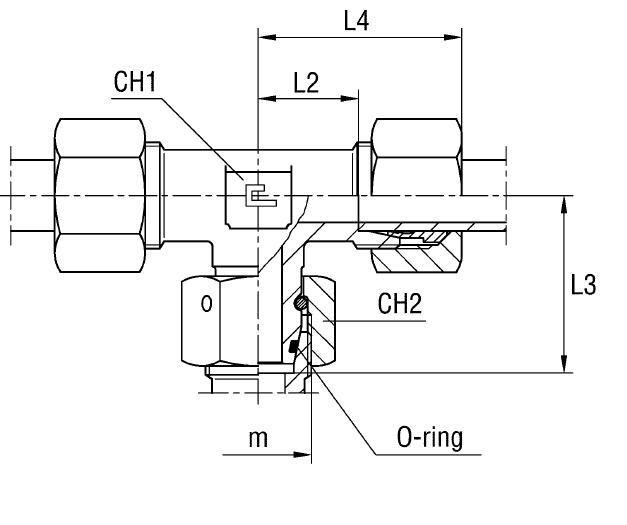
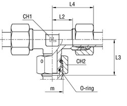
Характеристики

АртикулБрендCH1CH2CH3L1 (мм)L2 (мм)L3L4Ø трубы D1Ø трубы D2WP (bar)резьба m D1резьба m D2серияСтандарт ТС
605006CAST14191922152930101050016x1.516x1.5LСоединения 24° DIN 2353
  • D трубы M1 D1
    10
  • D трубы M2 D2
    10
  • WP (bar) рабочее давление
    500
  • Размер CH1
    14
  • Размер CH2
    19
  • Размер CH3
    19
  • Размер L1 (мм)
    22
  • Размер L2 (мм)
    15
  • Размер L3
    29
  • Размер L4
    30
  • Размер резьбы 1
    16x1.5
  • Размер резьбы 2
    16x1.5
  • Серия
    L
  • Стандарт трубных соединений
    Соединения 24° DIN 2353