Промышленные рукава AlfaGomma (Италия), фитинги Cast (Италия) - официальные поставки в Россию

Купить Соединение PNТ DL22 М30х2 (в сборе) от производителя Cast

2 677
руб.
Есть в наличии
Количество:
Доступно
Артикул:
605010
Вес:
0
кг.

Если Вы хотите заказать изделие из нержавеющей стали, замените первые две цифры артикула с 60.... на 61....

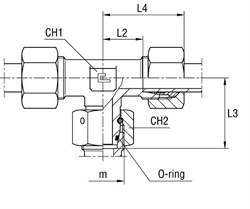
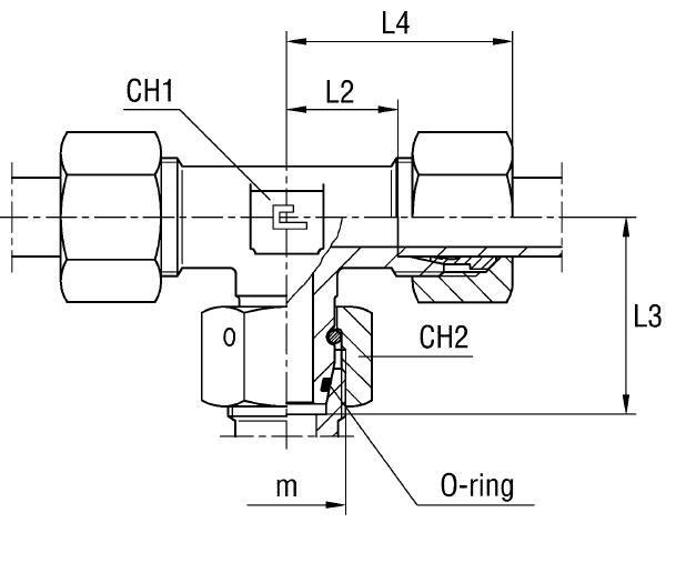
Характеристики

АртикулБрендCH1CH2CH3L1 (мм)L2 (мм)L3L4Ø трубы D1Ø трубы D2WP (bar)резьба m D1резьба m D2серияСтандарт ТС
605010CAST2736363527,538,544222225030x230x2LСоединения 24° DIN 2353
  • D трубы M1 D1
    22
  • D трубы M2 D2
    22
  • WP (bar) рабочее давление
    250
  • Бренд
    Cast
  • Размер CH1
    27
  • Размер CH2
    36
  • Размер CH3
    36
  • Размер L1 (мм)
    35
  • Размер L2 (мм)
    27,5
  • Размер L3
    38,5
  • Размер L4
    44
  • Размер резьбы 1
    30x2
  • Размер резьбы 2
    30x2
  • Серия
    L
  • Стандарт трубных соединений
    Соединения 24° DIN 2353