Промышленные рукава AlfaGomma (Италия), фитинги Cast (Италия) - официальные поставки в Россию

Купить Соединение PS BSP 1/2" BSP 1/2" от производителя Cast

222
руб.
Есть в наличии
Количество:
Доступно
Артикул:
301204
Вес:
0
кг.

Если Вы хотите заказать изделие из нержавеющей стали, замените первые две цифры артикула с 30.... на 31....

Характеристики

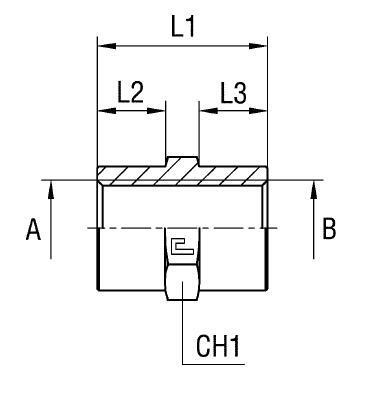
АртикулБрендA +0,13 -0,00BCH1L1 (мм)L2 (мм)L3WP (bar)серияСтандарт ТС
301204CAST1/21/227381515225УниверсальнаяСоединения 60° BS-5200
  • USIT Размер A +0,13 -0,00
    1/2
  • WP (bar) рабочее давление
    225
  • Бренд
    Cast
  • Размер B
    1/2
  • Размер CH1
    27
  • Размер L1 (мм)
    38
  • Размер L2 (мм)
    15
  • Размер L3
    15
  • Серия
    Универсальная
  • Стандарт трубных соединений
    Соединения 60° BS-5200