Промышленные рукава AlfaGomma (Италия), фитинги Cast (Италия) - официальные поставки в Россию

Купить Соединение PS BSP 1/4" BSP 1/4" от производителя Cast

99
руб.
Есть в наличии
Количество:
Доступно
Артикул:
301202
Вес:
0
кг.

Если Вы хотите заказать изделие из нержавеющей стали, замените первые две цифры артикула с 30.... на 31....

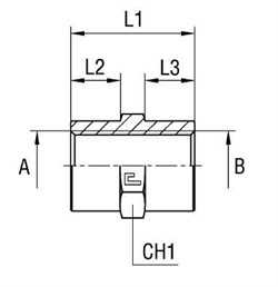
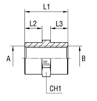
Характеристики

АртикулБрендA +0,13 -0,00BCH1L1 (мм)L2 (мм)L3WP (bar)серияСтандарт ТС
301202CAST1/41/419301212350УниверсальнаяСоединения 60° BS-5200
  • USIT Размер A +0,13 -0,00
    1/4
  • WP (bar) рабочее давление
    350
  • Бренд
    Cast
  • Размер B
    1/4
  • Размер CH1
    19
  • Размер L1 (мм)
    30
  • Размер L2 (мм)
    12
  • Размер L3
    12
  • Серия
    Универсальная
  • Стандарт трубных соединений
    Соединения 60° BS-5200