Купить Соединение WDL28 (корпус) от производителя Cast
Купить Соединение WDL28 (корпус) от производителя Cast
742
руб.
Есть в наличии
Количество:
Доступно
Артикул:
105511.1
Вес:
0
кг.
Если Вы хотите заказать фитинг из нержавеющей стали AISI 316, замените первые две цифры артикула с 10.... на 11....
Если Вы хотите заказать фитинг из нержавеющей стали AISI 316 с гайкой из нержавеющей стали AISI 304, замените первые две цифры артикула с 10.... на 14....
Если Вы хотите заказать фитинг из нержавеющей стали AISI 316 с гайкой из нержавеющей стали AISI 304, замените первые две цифры артикула с 10.... на 14....
Характеристики
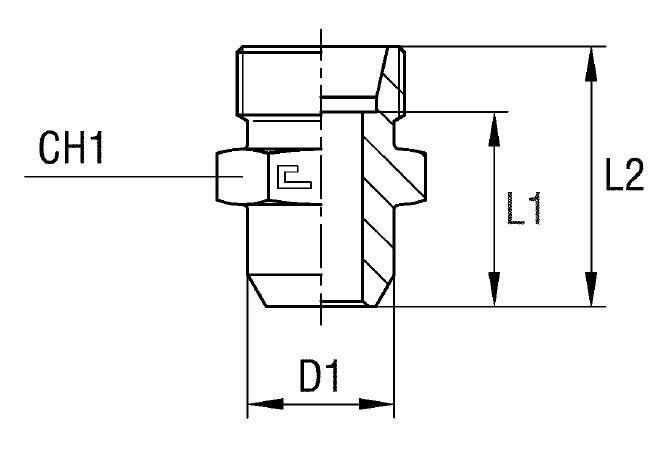
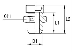
| Артикул | Бренд | CH1 | CH2 | D1 | L1 (мм) | L2 (мм) | L3 | Ø трубы D1 | WP (bar) | серия | Стандарт ТС |
| 105511.1 | CAST | 41 | 41 | 32 | 30,5 | 38 | 47 | 28 | 160 | L | Соединения 24° DIN 2353 |
-
D трубы M1 D128
-
WP (bar) рабочее давление160
-
БрендCast
-
Размер CH141
-
Размер CH241
-
Размер D132
-
Размер L1 (мм)30,5
-
Размер L2 (мм)38
-
Размер L347
-
СерияL
-
Стандарт трубных соединенийСоединения 24° DIN 2353